Skip to main content

38 toro wiring diagram

Description: Toro Mower Wiring Diagram Toro Wheel Horse Wiring Diagram Toro in Toro Wheel Horse Wiring Diagram, image size 732 X 580 px, and to view image details please click the image.. Here is a picture gallery about toro wheel horse wiring diagram complete with the description of the image, please find the image you need. The Toro 22" Personal Pace® electric start lawn mower features a Briggs Toro Recycler electric start lawn mower model Electric Start, no need to pull the recoil cord to start the engine; Personal Pace® Self Propel self propel system one spark plug (part # ), one air filter (part # ) and a oz.Need a wiring diagram for toro pace electric start.

Toro Ignition Switch Wiring Diagram. Print the cabling diagram off and use highlighters to trace the circuit. When you make use of your finger or even follow the circuit along with your eyes, it is easy to mistrace the circuit. One trick that I use is to print exactly the same wiring picture off twice.

Toro wiring diagram

Toro wiring diagram

Wiring Diagram For A Toro 8 32 Professional Riding Mower Tractorbynet. Toro Hmr 1200 Riding Product Operator S Manual Manualzz. Toro 8 25 Rear Engine Rider Riding Product Operator S Manual Manualzz. Toro 71221 15 38hxl Lawn Tractor 1999 Sn 9900001 9999999 Parts Diagram For Wiring Schematic. A lot of folks out there have riding mowers. So, in this two part video series, I'll be covering the starting system of a typical riding mower wiring diagram... Rivets this toro is 17 years old. and has efi , this means that it has a ECU module up under the engine. if you look at the wiring diagram you will see ECU referenced . i jumped the key switch and started my toro all i need now it a new key switch and a clutch .

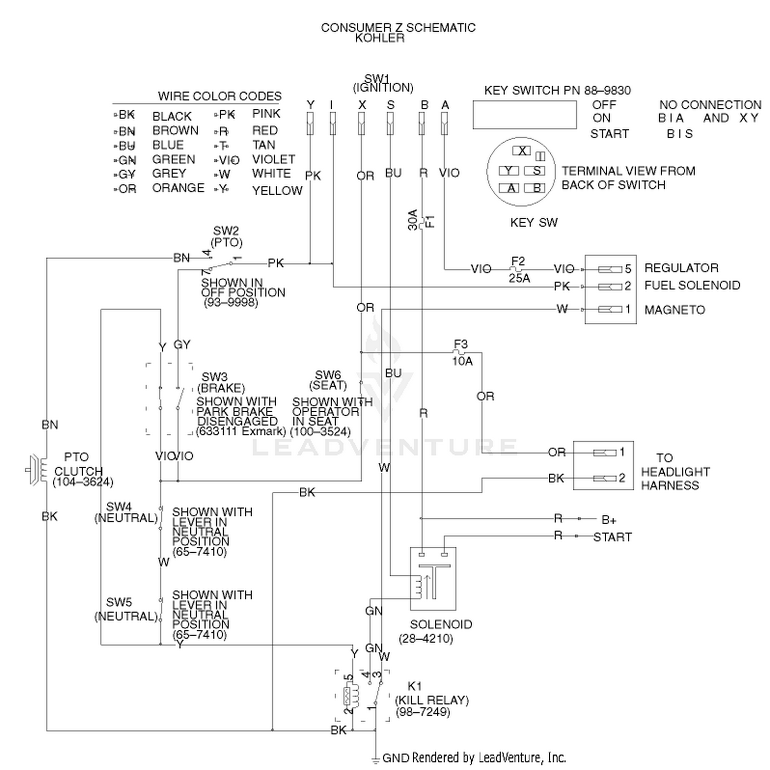
Toro wiring diagram. Toro 74501 Z16 44 Timecutter Z Riding Mower 2001 Sn 210000001 Toro Professional 30718 Proline 118 1993 Sn 3900001 3999999 1a83b Toro Sprinkler Wiring Diagram Digital ... Diagram Toro Tractor Wiring Full Version Hd Quality. Toro Professional 30612 Groundsmaster 120 2002 Sn 220000001 220999999 Parts Diagram For Electrical Schematic. Toro Wheelhorse Demystification Electical Wiring Diagrams For All Tractors. Toro 74372 Timecutter Z5020 Riding Mower 2007 Sn 270000001 270999999 Parts Diagram For Electrical Assembly. Toro Zero Turn Mower Wiring Diagram - wiring diagram is a simplified up to standard pictorial representation of an electrical circuit. It shows the components of the circuit as simplified shapes, and the capability and signal contacts amid the devices. A wiring diagram usually gives counsel practically the relative aim and concurrence of ... Wiring Diagrams are designed to be easy to comprehend and easy to construct. You'll be able to discover this guidebook easy to utilize and also extremely inexpensive. Toro Wheel Horse Ignition Switch Wiring Diagram | Wiring Diagram - Wheel Horse Ignition Switch Wiring Diagram

Toro 13bx60rg744 Lx425 Lawn Tractor 2007 Sn 1a087h10172 1c307h10417 Parts Diagram For Frame And Battery Assembly. Wiring Diagram Toro Lx420 Lawn Tractor Lx460 Lx423 Gt2300 Garden Lx500 Gt2200 Gt2100. Toro 13bx60rg544 Lx425 Lawn Tractor 2007 Sn 1a087h10172 1e237h10144 Fuel Tank And Hood Assembly. Toro 13bx60rg544 lx425 lawn tractor manuals ... Toro Wiring Diagram. To properly read a cabling diagram, one has to find out how the components in the system operate. For instance , if a module is usually powered up also it sends out a signal of half the voltage plus the technician does not know this, he'd think he provides an issue, as this individual would expect the 12V signal. Following ... ELECTRICAL ASSEMBLY diagram and repair parts lookup for Toro 74262 (Z 500) - Toro 60" Z Master Zero-Turn Mower, Side-Discharge Deck (SN: 260000001 - 260999999) (2006) Toro Z Master Wiring Diagram - wiring diagram is a simplified gratifying pictorial representation of an electrical circuit. It shows the components of the circuit as simplified shapes, and the gift and signal contacts amongst the devices. A wiring diagram usually gives suggestion about the relative approach and promise of devices and ...

Diagram Titan Toro 5200 Wiring Diagram Full Version Hd Quality Amazon Com Holdwell Stop Solenoid Sa 3725 12 For Mitsubishi L2e 0b9a Toro Zero Turn Wiring Diagram 74624 Wiring Resources Bd8 8 Pin Wiring Diagram Wiring Resources 1997 To 1999 Walker Mt Wiring Schematic Parts Propartsdirect Toro Lawn Tractor 71193 Ereplacementparts Com ... Access to ALL Service Manuals pertinent to your fleet is available by subscribing to TORO myTurf. If myTurf is not an option, due to lack of high speed internet connectivity, or your Distributor does not yet support myTurf, our entire library of Service Manuals is available on the Service Reference. You can also order printed manuals from your ... Lift the control pane up to access the main wiring harness and fuse block (Figure 39). To replace a fuse, pull out on the fuse to remove it ... (Toro part no. 92-5771) ... Electrical Diagram. Please read the following safety information and scroll down to close. Need to fix your 20334 (310000001-310999999)(2010) Lawn Mower? Use our part lists, interactive diagrams, accessories and expert repair advice to make your repairs easy.

G L El Toro Passive Wiring Diagram Talkbass Com

G L El Toro Passive Wiring Diagram Talkbass Com

Here is a basic wiring diagram that applies to all Vintage and Antique Lawn and Garden Tractors using a Stator Charging System and a Battery Ignition System. We did our best to keep this as simple and as easy to understand as possible. This applies to all old Cub Cadet, Ford, Jacobsen, John Deere, Wheel Horse, Case, and Simplicity Garden Tractors. 

1

1

Toro Ignition Switch Ssw2840 Wiring Diagram. Stens PTO Switch Replaces Exmark Toro DB Electrical SSW Key Switch for Exmark 60 Inch 72 Inch Lazer Z and Lazer Z. Carl54, take a look at the attached schematics. Slightly differ from each other due to age of the model but the wiring from the ignition switch is. Nov 1, equipment Diagrams and order ...

Zero Turn Mower Electrical Troubleshooting Youtube

Zero Turn Mower Electrical Troubleshooting Youtube

Toro 244 5 Yard Tractor Riding Product Operator S Manual Manualzz. Tractor 1989 212 5 wiring detailed toro r2 12k501 not charging my forum wheelhorse 210 diagram f2 5sb 1988 riding product wheel horse lawn 32 10b502 demystification just home a 1992 h d om ipl sn 520 engine will 416 8 244 yard tractors 211 manuals manualslib 12k602 6 voltmeter 79 0060 416h ignition switch safety 12b501 4 manual ...

Toro 74620 Timecutter Ss 3200 Riding Mower 2011 Sn 311000001 311999999 Parts Diagram For Electrical Assembly

Toro 74620 Timecutter Ss 3200 Riding Mower 2011 Sn 311000001 311999999 Parts Diagram For Electrical Assembly

Wheel Horse 520h Wiring Diagram. Toro Power Plus Blower Wheel With Screen. Toro Power Plus Camshaft. Toro Power Plus Carburetor Components-Gasoline. Toro Power Plus Crankshaft. Toro wheelhorse Demystification Electical wiring diagrams for all WheelHorse tractors. Uploaded by Kevins Small Engine and Tractor Service. Wheel Horse. wheel horse h ...

Toro Professional 30181 Mid Size Proline Gear Traction Unit 16 Hp 1995 Sn 59000001 59999999 Parts Diagram For Electric Schematic

Toro Professional 30181 Mid Size Proline Gear Traction Unit 16 Hp 1995 Sn 59000001 59999999 Parts Diagram For Electric Schematic

Toro University Technical Training Electrical Schematics Accurate diagrams of electrical circuits are essential to the technician who must repair it. If you don't understand how the system operates, it is very difficult to diagnose possible electrical problems. Let's start with something simple . . . don't worry, its not that complicated.

Wiring Diagram Toro Lx420 Lawn Tractor Lx460 Lawn Tractor Lx423 Lawn Tractor Gt2300 Garden Tractor Lx500 Lawn Tractor Gt2200 Garden Tractor Gt2100 Garden Tractor Wiring Diagram

Wiring Diagram Toro Lx420 Lawn Tractor Lx460 Lawn Tractor Lx423 Lawn Tractor Gt2300 Garden Tractor Lx500 Lawn Tractor Gt2200 Garden Tractor Gt2100 Garden Tractor Wiring Diagram

DOWNLOAD Toro 11-32 Wiring Diagram. Close DOWNLOAD. Toro 11-32 Wiring Diagram. Toro , Professional, (SN ) Exploded View parts lookup by model. Complete exploded views of all the major manufacturers. Toro , Rear Engine Rider, (SN ) MOWER ASSEMBLY Exploded View parts lookup by model. Complete exploded views of .

2

2

WIRING DIAGRAM TORO LX425 . wiringdiagramnament.herokuapp.com. TORO LX425 20HP KOHLER LAWN TRACTOR SHOP MANUAL . New & Updated for all PC, MAC, Tablets & Smartphones This is a full professional DOWNLOAD www.tradebit.com. Toro LX426 . This is a video of replacing the main drive belts and deck blade belts. I also ended up replacing the blades as ...

Toro 74721 Timecutter Ss 4225 Riding Mower 2015 Sn 315000001 315999999 Parts Diagram For Fuse And Wire Harness Assembly

Toro 74721 Timecutter Ss 4225 Riding Mower 2015 Sn 315000001 315999999 Parts Diagram For Fuse And Wire Harness Assembly

Toro 13ax60rh744 Lx460 Lawn Tractor Wiring Diagram. Toro 13AX60RH, LX Lawn Tractor, (SN 1AB) Found on Diagram: BLOWER HOUSING ASSEMBLY KOHLER SV .. Found on Diagram: IGNITION AND ELECTRICAL ASSEMBLY KOHLER SV LX, LX Lawn Mower pdf manual download. Also for: 13ax60rg, 13ax60rh Lawn Mower Toro LX 13AX60RG Operator's Manual .

Wiring Diagram Lawn Mowers Toro Png Clipart Brand Cartoon Diagram Electrical Wires Cable Fictional Character Free

Wiring Diagram Lawn Mowers Toro Png Clipart Brand Cartoon Diagram Electrical Wires Cable Fictional Character Free

The Toro Company has made every effort to make the information in this manual complete and correct. Basic mechanical/electrical skills are assumed. The Table of Contents lists the systems and the related topics covered in this manual. For additional information on the electrical system, please refer to the Toro Electrical Demystification Guide ...

Wiring Schematic Toro Greensmaster 3100 User Manual Page 106 234

Wiring Schematic Toro Greensmaster 3100 User Manual Page 106 234

Toro wiring diagram lawn mower solenoid related problems. I need a Toro z master wiring schematic try toros web site you should be able to type in. Disconnect battery from charger, wire harness, . When the engine of a riding mower will not turn over, there are a few runs from the solenoid to the starter.

Interactive Manual

Interactive Manual

Contact an Authorized Toro Parts Dealer to obtain a replacement battery. Remove the belt cover; refer to step 1 of Servicing the Blade-Drive System. Remove the rear-discharge plug. Move the handle to the vertical position. Remove the 4 small bolts that hold the rear door and handle-lock-lever assembly in place. Fold the handle all the way forward.

Toro Zero Turn Solenoid Wiring Diagram Gravely 915150 035000 Zt 50 Wiring Diagram Parts Diagram

Toro Zero Turn Solenoid Wiring Diagram Gravely 915150 035000 Zt 50 Wiring Diagram Parts Diagram

Rivets this toro is 17 years old. and has efi , this means that it has a ECU module up under the engine. if you look at the wiring diagram you will see ECU referenced . i jumped the key switch and started my toro all i need now it a new key switch and a clutch .

2

2

A lot of folks out there have riding mowers. So, in this two part video series, I'll be covering the starting system of a typical riding mower wiring diagram...

Toro Yard Garden Tractor Electrical Demystification Wiring Diagram Manual 270 H Ebay

Toro Yard Garden Tractor Electrical Demystification Wiring Diagram Manual 270 H Ebay

Wiring Diagram For A Toro 8 32 Professional Riding Mower Tractorbynet. Toro Hmr 1200 Riding Product Operator S Manual Manualzz. Toro 8 25 Rear Engine Rider Riding Product Operator S Manual Manualzz. Toro 71221 15 38hxl Lawn Tractor 1999 Sn 9900001 9999999 Parts Diagram For Wiring Schematic.

Toro Timecutter Wire Harness 136 7482 Mower Shop Products

Toro Timecutter Wire Harness 136 7482 Mower Shop Products

2

2

Toro 71219 14 38 Hxl Toro Lawn Tractor Sn 079000001 079999999 1997 Electrical Schematic Parts Lookup With Diagrams Partstree

Toro 71219 14 38 Hxl Toro Lawn Tractor Sn 079000001 079999999 1997 Electrical Schematic Parts Lookup With Diagrams Partstree

Interactive Manual

Interactive Manual

Wiring Diagrams To Help You Understand How It Is Done Electrical Redsquare Wheel Horse Forum

Wiring Diagrams To Help You Understand How It Is Done Electrical Redsquare Wheel Horse Forum

Toro Professional 74 0980 Electric Starter Wide Area Mower Parts Diagram For Ignition Switch And Wiring Diagram

Toro Professional 74 0980 Electric Starter Wide Area Mower Parts Diagram For Ignition Switch And Wiring Diagram

Toro 30760 52 Toro Groundsmaster Rear Engine Riding Mower Sn 00000001 09999999 1980 Electrical Schematic Parts Lookup With Diagrams Partstree

Toro 30760 52 Toro Groundsmaster Rear Engine Riding Mower Sn 00000001 09999999 1980 Electrical Schematic Parts Lookup With Diagrams Partstree

Toro 212 5 1992 Information List Wiring Diagram Ebay

Toro 212 5 1992 Information List Wiring Diagram Ebay

Toro Zero Turn Solenoid Wiring Diagram Gravely 915150 035000 Zt 50 Wiring Diagram Parts Diagram

Toro Zero Turn Solenoid Wiring Diagram Gravely 915150 035000 Zt 50 Wiring Diagram Parts Diagram

Toro 57430 12 44 Pro Lawn Tractor 1988 Sn 8000001 8999999 Electrical Diagram

Toro 57430 12 44 Pro Lawn Tractor 1988 Sn 8000001 8999999 Electrical Diagram

Toro Professional 74 0980 Electric Starter Wide Area Mower Parts Diagram For Battery Assembly

Toro Professional 74 0980 Electric Starter Wide Area Mower Parts Diagram For Battery Assembly

Toro 74501 Z16 44 Timecutter Z Riding Mower 2001 Sn 210000001 210999999 Parts Diagram For Wiring Schematic

Toro 74501 Z16 44 Timecutter Z Riding Mower 2001 Sn 210000001 210999999 Parts Diagram For Wiring Schematic

Toro 30610 120 Toro Proline Lawn Tractor Sn 039000001 039999999 1993 Electrical Schematic Parts Lookup With Diagrams Partstree

Toro 30610 120 Toro Proline Lawn Tractor Sn 039000001 039999999 1993 Electrical Schematic Parts Lookup With Diagrams Partstree

Toro Professional 74 0980 Electric Starter Wide Area Mower Parts Diagram For Battery Assembly

Toro Professional 74 0980 Electric Starter Wide Area Mower Parts Diagram For Battery Assembly

Toro 71221 15 38hxl Lawn Tractor 1999 Sn 9900001 9999999 Parts Diagram For Wiring Schematic

Toro 71221 15 38hxl Lawn Tractor 1999 Sn 9900001 9999999 Parts Diagram For Wiring Schematic

Toro Wheelhorse Wont Stay Running Wheel Horse Electrical Redsquare Wheel Horse Forum

Toro Wheelhorse Wont Stay Running Wheel Horse Electrical Redsquare Wheel Horse Forum

2

2

Toro Ss5000 Charging Problems Lawnsite Is The Largest And Most Active Online Forum Serving Green Industry Professionals

Toro Ss5000 Charging Problems Lawnsite Is The Largest And Most Active Online Forum Serving Green Industry Professionals

Toro 56190 10 32 Recycler Rider 1992 Sn 2000001 2999999 Parts Diagram For Wiring Schematic

Toro 56190 10 32 Recycler Rider 1992 Sn 2000001 2999999 Parts Diagram For Wiring Schematic

Interactive Manual

Interactive Manual

Interactive Manual

Interactive Manual

Pin On Lawn Equiment

Pin On Lawn Equiment

2

2

Toro 74601 Z17 44 Timecutter Z Riding Mower 2001 Sn 210000001 210999999 Wiring Schematic

Toro 74601 Z17 44 Timecutter Z Riding Mower 2001 Sn 210000001 210999999 Wiring Schematic

Comments

Popular posts from this blog

40 data center network diagram

40 extracellular matrix diagram

39 2.4 ecotec timing chain diagram