Skip to main content

38 mtd wiring diagram

York Thermostat Wiring Diagram -Mtd Yard Machine Riding Mower Wiring Diagram. mtd wiring schematic mtd yardman wiring diagram mtd image wiring diagram mtd rg lt parts diagram for... New Mtd Wiring Diagram -Encouraged in order to my personal website, within this time I am going to show you concerning mtd wiring diagram . And after this, this can be a initial photograph

Mtd lawn mower wiring diagram. Discover ideas about riding lawn mowers. Wiring Diagrams Mtd Riding Mower Ignition Switch Wi...

Mtd wiring diagram

Mtd wiring diagram

Mtd Riding Lawn Mower Wiring Diagram mtd riding lawn mower wiring diagram Every electrical arrangement is composed of various different pieces Each component should be set and linked to... Wire diagram for a 2000 mtd yard machines mower.model number is 13a6673g118. Garden tractor starter solenoid explained including kill switch systems. Yard machines lawn mower user . Mtd Wiring Diagram from www.snowblowerforum.com. Print the wiring diagram off in addition to use highlighters to trace the circuit. When you employ your finger or stick to the circuit along with your...

Mtd wiring diagram. It shows the elements of the circuit as simplified shapes as well as the power and signal links in between the gadgets. Can you get... Mtd Yardman Wiring Diagram. Yard man 42inch cut 17.5 hp mtd will it run again. Dec 10, · Variety of mtd riding lawn mower wiring diagram. A wiring diagram is a simplified standard photographic... Tractor Wiring Diagram engine 5l7be need wiring diagram Sep 22 2011 Need the wiring diagram lawn garden tractor Displaying Wiring Diagram parts for the MTD 13AB560B302 Yard Machines... Diagram 2008 Mtd Rzt 50 Wiring Diagram Full Version Hd. 12 Volt Solenoid Wiring Diagram Wiring Diagram. Bilen Utmerket Mekanisme Starter Solenoid Wiring Diagram.

Mtd gearbox diagram cub cadet wiring mtd riding lawn mower wiring diagram mtd mower starter solenoid Mtd Lawn Mower Wiring Diagram . This Pin was discovered by Angela Padget Zamora. Wiring Diagram Mtd Lawn Tractor Wiring Diagram And By Starter. It shows the elements of the circuit as simplified shapes as well as the power and signal links in between the gadgets. Craftsman Key Switch Wiring Diagram Wiring Diagram Data Schema Mtd Riding Lawn Mower Wiring Diagram Free Wiring Diagram Mtd Snowblower Engine Parts Diagram Basic Electronics Wiring Diagram Also need wiring diagram for MTD Yard Machine. According to MTD website wiring diagrams are included in Tech Manuals available from them @800-800-7310 need model # and serial #.

For more than 50 years mtd has been a leader in designing and building durable easy to use outdoor power equipment. We have labeled interac... Description : Mtd Wiring Diagram Yard Machine Ignition Switch Wiring Wiring intended for Mtd Yard Machine Wiring Diagram, image size 800 X 577 px. Honestly, we have been remarked that mtd yard... Hey, a lot of readers here have emailed me asking for the MTD 600 Enhanced Wiring Diagram. Thought maybe it might save some time to post it here. Wiring Diagram For Fisher Minute Mount Wiring Diagram Rows. Looking For Mtd Model 13ac762f000 Front Engine Lawn Tractor. Diy Carburetor Replacement On Lawn Tractor With Briggs.

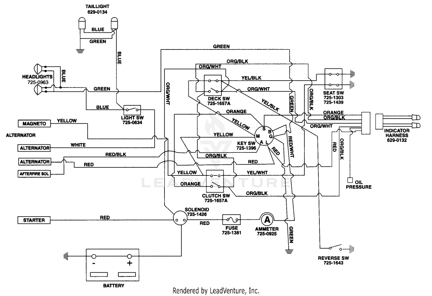
Mtd 13al795t057 2010 Wiring Harness Schematic 725 04432d

Mtd 13al795t057 2010 Wiring Harness Schematic 725 04432d

need wiring diagram wiring diagram for MTD yardsman lawn tractor 13hp - model year 2000 Model No mtd wiring schematic I am looking for a wiring diagram for a 1970 mtd farm king tractor...

Wiring Diagram Mtd Lawn Tractor Wiring Diagram And By Mtd Yard Machine Wiring Diagram Wiring Diagram And Kohler Engines Lawn Tractor Tractors

Wiring Diagram Mtd Lawn Tractor Wiring Diagram And By Mtd Yard Machine Wiring Diagram Wiring Diagram And Kohler Engines Lawn Tractor Tractors

Mtd Tractor Wiring Diagram Wiring Diagram Tutorial The wiring diagram opens in a pop-up modal box. If the pop-up blocker is turned on in your device, you are not able to download or read online the...

Mtd 14au844h401 1998 Parts Diagram For Wiring Diagram

Mtd 14au844h401 1998 Parts Diagram For Wiring Diagram

It shows the elements of the circuit as simplified shapes as well as the power and signal links in between the gadgets. Wiring diagram for...

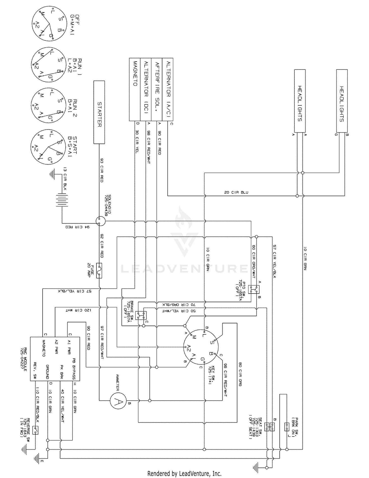
Mtd 13a2775s000 2014 Wiring Schematic 725 04567g Shanks Lawn

Mtd 13a2775s000 2014 Wiring Schematic 725 04567g Shanks Lawn

Hey all. My sister has 2016 troybilt 11A-B2AQ711 with a Honda GCV160LAO S3B engine. Last fall it was stalling whenever she ran in to load; wet grass, leaf pile, etc. she ran it dry and stored it inside for the winter. Last week filled it with ethanol free 93 and it ran maybe 10min before dying. Seemed like a hot hydro lock. Would run with a shot of fuel in the carb. Did the same thing when cool. I pulled the carb off today. Was surprised how clean it was inside. Float is dry, took the je...

Mtd 600 Enhanced Wiring Diagram My Tractor Forum

Mtd 600 Enhanced Wiring Diagram My Tractor Forum

Mtd Ignition Switch Diagram Wiring Diagram. Mtd Lawn Tractors Optima Lg 200 H 13tt79kg678 2013 Wiring. Free Polaris Wiring Diagram Box Wiring Diagram. 4pdt 3 Mtd.

Mtd Garden Tractors G 185 14ai848h678 2000 Wiring Diagram Spareparts

Mtd Garden Tractors G 185 14ai848h678 2000 Wiring Diagram Spareparts

Wiring Diagram: Assistant's Unit (Rear Mtd. on Cuspidor). Item Description. A Cuspidor Harness (part of bundle) B Assistant's Keypad Harness C Interface Harness D Assistant's Unit Instrument Harness...

Mtd 134a676f190 38 Lawn Tractor Lt 13 1994 Parts Diagram For Electrical System Lt 13

Mtd 134a676f190 38 Lawn Tractor Lt 13 1994 Parts Diagram For Electrical System Lt 13

Mtd wiring diagram ssb tractor bob why is it that mtd will not supply a wiring diagram with there manuals i been told that thay are not available hard to believe chris need more info wiring diagrahm...

Mtd 13a 328 129 1999 Parts Diagram For Wire Diagram

Mtd 13a 328 129 1999 Parts Diagram For Wire Diagram

Mtd lawn tractor wiring diagram lovely mtd tractor on. 10.12.2019 · mtd riding lawn mower wiring diagram. It includes guidelines and diagrams for different varieties of wiring techniques and other...

Mtd Riding Mower Wiring Diagram With Yard Machine On Circuit Diagram How To Plan Yard Machine

Mtd Riding Mower Wiring Diagram With Yard Machine On Circuit Diagram How To Plan Yard Machine

Mtd Riding Lawn Mower Wiring Diagram mtd riding lawn mower wiring diagram Every electric structure is made up of various distinct components. With this kind of an illustrative guidebook youll be...

Cub Cadet Faq

Cub Cadet Faq

Electrical Wiring Mtd Wiring Diagram Ignition Switch Image Lawn Mower Tractor Lawn Mower Tractor Ignition Wiring Diagram. and methodology for diagnosing electrical issues on the tractor.

Rewire Mtd Yard Machine Lt B S 42a707 Doityourself Com Community Forums

Rewire Mtd Yard Machine Lt B S 42a707 Doityourself Com Community Forums

Diagram 2008 Mtd Rzt 50 Wiring Diagram Full Version Hd. Bilen Utmerket Mekanisme Starter Solenoid Wiring Diagram. Starter Solenoid Fits Many Mower Brands.

Mtd 13bt604g401 2004 Parts Diagram For Electrical

Mtd 13bt604g401 2004 Parts Diagram For Electrical

Mtd Wiring Diagram Wiring Harness Dash Routing Mgb Gt Wiring Diagram Fascinating. Mtd Wiring Diagram- wiring diagram is a simplified suitable pictorial representation of an electrical circuit.

Wiring Diagram Mtd Lawn Tractor Wiring Diagram And By Mtd Lawn Mower Electrical Diagram Wiring Forums Electrical Diagram Diagram Electrical Wiring Diagram

Wiring Diagram Mtd Lawn Tractor Wiring Diagram And By Mtd Lawn Mower Electrical Diagram Wiring Forums Electrical Diagram Diagram Electrical Wiring Diagram

Everybody knows that reading Mtd Solenoid Wiring Diagram is effective, because we can get enough detailed information online in the reading materials.

Mtd 13a1696g190 Lt 155 1997 Wiring Diagram Lt 155

Mtd 13a1696g190 Lt 155 1997 Wiring Diagram Lt 155

Mtd Wiring Diagram from www.snowblowerforum.com. Print the wiring diagram off in addition to use highlighters to trace the circuit. When you employ your finger or stick to the circuit along with your...

Rewire Mtd Yard Machine Lt B S 42a707 Doityourself Com Community Forums

Rewire Mtd Yard Machine Lt B S 42a707 Doityourself Com Community Forums

Wire diagram for a 2000 mtd yard machines mower.model number is 13a6673g118. Garden tractor starter solenoid explained including kill switch systems. Yard machines lawn mower user .

1

1

Mtd Riding Lawn Mower Wiring Diagram mtd riding lawn mower wiring diagram Every electrical arrangement is composed of various different pieces Each component should be set and linked to...

Model 13ag688h722 Mtd Lawn Tractor Wiring Diagram 1 Parts

Model 13ag688h722 Mtd Lawn Tractor Wiring Diagram 1 Parts

1971 Mtd Wizard Electrical Garden Tractor Forums

1971 Mtd Wizard Electrical Garden Tractor Forums

Mtd Mtd Lawnflite 146 834 031 Parts Diagram For Electrical

Mtd Mtd Lawnflite 146 834 031 Parts Diagram For Electrical

Wiring Diagram Mtd013737 Spares For Mtd Sprinto Lawn Tractors Power Tool Spares

Wiring Diagram Mtd013737 Spares For Mtd Sprinto Lawn Tractors Power Tool Spares

Substitui Mtd Riding Cortador Interruptor De Ignicao Mtd 725 1396 925 1396 925 1396a Ebay

Substitui Mtd Riding Cortador Interruptor De Ignicao Mtd 725 1396 925 1396 925 1396a Ebay

Mtd 13a 325 190 Yard Bug 1999 Wiring Diagram

Mtd 13a 325 190 Yard Bug 1999 Wiring Diagram

Mtd Gold 13ax795s004 2011 Lawn Tractors Partswarehouse

Mtd Gold 13ax795s004 2011 Lawn Tractors Partswarehouse

Parts For Mtd Gold 13ax795s004 2011 Wiring Diagram Mtd Gold Parts Appliancepartspros Com

Parts For Mtd Gold 13ax795s004 2011 Wiring Diagram Mtd Gold Parts Appliancepartspros Com

Mtd 13an795s001 2011 Parts Diagram For Wiring Diagram Yard Man

Mtd 13an795s001 2011 Parts Diagram For Wiring Diagram Yard Man

Mtd 13ax795s004 Mtd Gold Lawn Tractor 2011 Wiring Diagram Mtd Gold Parts Lookup With Diagrams Partstree

Mtd 13ax795s004 Mtd Gold Lawn Tractor 2011 Wiring Diagram Mtd Gold Parts Lookup With Diagrams Partstree

Yard Machines 1994 Mtd 400 500 600 800 Riding Lawn Tractor Electrical Schematics Ebay

Yard Machines 1994 Mtd 400 500 600 800 Riding Lawn Tractor Electrical Schematics Ebay

Need 990 Wiring Diagram My Tractor Forum

Need 990 Wiring Diagram My Tractor Forum

Parts For Mtd Gold 13ax795s004 2011 Wiring Diagram Mtd Gold Parts Appliancepartspros Com

Parts For Mtd Gold 13ax795s004 2011 Wiring Diagram Mtd Gold Parts Appliancepartspros Com

2

2

Console Lr Mtd Elevance Chair Manualzz

Console Lr Mtd Elevance Chair Manualzz

Mtd 13ax795s004 Mtd Gold Lawn Tractor 2015 Wiring Schematic Parts Lookup With Diagrams Partstree

Mtd 13ax795s004 Mtd Gold Lawn Tractor 2015 Wiring Schematic Parts Lookup With Diagrams Partstree

Mtd011575 Wiring Diagram

Mtd011575 Wiring Diagram

Gamainc Com

Gamainc Com

Mtd 13ao785t055 2011 Parts Diagram For Wiring Diagram

Mtd 13ao785t055 2011 Parts Diagram For Wiring Diagram

Mtd Saratoga Preamp Wiring Diagram Bartolini Pickups Electronics

Mtd Saratoga Preamp Wiring Diagram Bartolini Pickups Electronics

Gamainc Com

Gamainc Com

Mtd Pro Mmz 2554 Operator S And Service Manual Pdf Download Manualslib

Mtd Pro Mmz 2554 Operator S And Service Manual Pdf Download Manualslib

Comments

Popular posts from this blog

40 data center network diagram

39 2.4 ecotec timing chain diagram

39 emg hz wiring diagram