38 mtd rear tine tiller parts diagram
Find parts for your Craftsman 208cc Rear-Tine Tiller 247.299320 . Parts diagrams and manuals available. Free shipping on parts orders over $45. Mar 2, 2017 - Explore rodney beckom's board "Rear tine tiller repair." on Pinterest. See more ideas about rear tine tiller, tiller, repair.
It's a MTD Tiller - Rear Tine. Briggs and Stratton engine. ENGINE MODEL NBR: 135202. ENGINE NBR: 0258-01 OR OZ58-01. CODE NBR: 960411YE. I'm trying to find a diagram for the carb linkage. Anyone have one or know where I can get some pictures to see how the linkage is set up.

Mtd rear tine tiller parts diagram
Find parts for your RT 65 Garden Tiller. Parts diagrams and manuals available. Free shipping on parts orders over $45. Skip to Main Content ... 47.5-inch Tine Engagement Cable. Item#: 946-1117. $45.96 Quickview ... Choose your Agri-Fab model from the list below to view a printable parts diagram. The diagram will open as a pdf file in a new window. Use that diagram to determine the Agri-Fab part numbers of the items you need. View Agri-Fab Parts Diagrams - choose your model. Carts; Model Number Name Parts List; 45-0101-999: Utility “12” Tow Dump Cart: 45-0101-999: 45-01011-999: Utility … MTD Rear Tine, Gas Tiller Owner's Manual, MTD Rear Tine, Gas Tiller installation guides. Download the manual with an introduc Mtd yard machine rear tine tiller manual - soup all mtd 5 hp rototiller manual as pdf, manual mtd hp 5 10.88mb mtd 5 hp rototiller manual as.View and Download MTD 410 Thru 420 operator's manual online.
Mtd rear tine tiller parts diagram. Gilson 1580 rototiller with briggs & stratton 5hp you are bidding on a gilson rear tine roto tiller model rt5s ( 51183 ) parts manual. july 15. com. Apr 08, 2021 · Montgomery Ward Rototiller Part 2 - It Lives and Replace 1280 x 720 jpeg 252 КБ. Group - Category. Briggs and straton 5hp engine Model#130202 Type 2153-01 Code 86090810. Montgomery Ward Tiller gil 1585 B. Have parts … HZ Pull Recoil Starter Assembly for MTD Craftsman Cub Cadet Troy Bilt 751-12418 951-12418 951-12127 Front Rear Tine Tillers Yard Machines and More 3.5 out of 5 stars 7 $27.95 $ 27 . 95 Parts01 diagram and repair parts lookup for MTD 211-430-000 - MTD Tiller (1991) Left hand tine, MTD 742-0105 Right hand tine, MTD 742-0106 : Tiller tine set contains (8) left hand and (8) right hand tiller tines,(32) cap screws, hex nuts and lock washers: O84-101 OREGON AFTERMARKET: $73.65 & only $7.95 SHIPPING AND HANDLING
Vor 1 Tag · Troy bilt horse Tiller housing cover part#1023. check your parts list and serial number for correct replacement. vintage troy built model 2 rototiller. Atascadero. See complete description. Notify me before the end of the auction. eBay See price. See price. Auction $ 20. eBay. See details. More pictures. Troy bilt Broncho 208cc 16-IN Rear Tine Tiller. Troy-Bilt … Title: 20 hp kohler wiring diagram mtd yard machines rear tine till Author: Sanford Vickey Subject: save 20 hp kohler wiring diagram mtd yard machines rear tine tiller 5 hp on size 15. I have found a plastic fill plug on the top of the gearbox housing, but no dipstick or fill level plug on it. 21.01.2022 · R Mtd 5hp rear tine tiller Mtd rear tine tiller diagram mtd rear tine tiller wheel shafttine shaft parts. [eBooks] Mtd Tillers 5hp Briggs Engines File Type Pdf Thank you definitely much for downloading mtd tillers 5hp briggs engines file type pdf. 1-877-737-2787. 9-Inch, 20-Volt lithium-ion cordless cultivator does it all without having to mess with gas or oil or drag around … MTD Tillers parts with OEM MTD parts diagrams to find MTD Tillers repair parts quickly and easily. COVID-19 UPDATE: Call Center OPEN (from home) and Warehouse SHIPPING to all 50 states (with some USPS/UPS/FedEx delays) Learn more > Order Status Customer Support 512-288-4355 My
MTD Tiller parts that fit, straight from the manufacturer. Use our interactive diagrams, accessories, and expert repair help to fix your MTD Tiller . Please note shipping times may be longer than expected due to carrier delays. 877-346-4814. Departments Accessories ... MTD 215-447-401 (1995) Rear Tine Tiller - Lower Assembly Exploded View parts lookup by model. Complete exploded views of all the major manufacturers. It is EASY and FREE New tiller parts for your rear tine or front tine roto tiller or cultivator. We have genuine and aftermarket parts for all of the major brands. Get back on the job quick -- fast shipping and great service! Earth. Troy-Bilt Front Tine Tiller 24in. Working Width, 208cc Powermore OHV Engine, Model# 21B-34M8766. This Troy-Bilt Front Tine Tiller is perfect for preparing flower beds, weeding small areas and mixing in fertilizer and soil. The 208cc Powermore OHV engine and 12in. steel tines stand up to the toughest jobs and heaviest soil.
Mtd rear tine tiller diagram wheel shaft parts sears rototiller parts craftsman tiller diagram troy super bronco rear tine transmission housing i need a belt diagram for western auto wizard ti 25618875 gpgzti2ec3hbjv0hrsl1kugs rear tine tiller parts model 3455a89 sears partsdirect main frame mtd rear tine tiller diagram wheel shaft parts.
The product's model number is essential to finding correct MTD® genuine factory replacement part numbers for your Yard Machines, Troy-Bilt, Bolens, Remington, Yard-Man, White Outdoor and MTD Gold outdoor power equipment. The Model number is eleven characters long and is printed on the left side of the Product Identification Label. Characters can include numbers, …
MTD Tillers parts with OEM MTD parts diagrams to find MTD Tillers repair parts quickly and easily
Best Rear Tine Tillers The Gardens Of Heaven. Ryobi Garden King Mdl 211 405 205 Parts Diagrams. Part 2 Of 3 Mtd Garden King Tiller Repair And Modifications. D071 2 Troy Bilt Big Red Garden Tiller Tires 4 8x4x8 8x4 8 Mtd. Petrol Mtd T 205 Rotavator In Sg2 Stevenage Für 120 00 Zum. Lawnflite mtd t205 garden tiller 16 41cm petr cultivator front ...
Parts for Statesman 215-420-016 / 1995: Rear Tine Tiller-Upper Assembly Parts in stock and ready to ship today. 365 days to return any part.
We have the OEM MTD Parts that you're looking for! Parts orders over $45 ship free! Orders placed before 5 pm ship the same day! ... Miscellaneous Tiller Parts QuickView Flat Washer 1.500x1.750x.030. 736-04307. $ 7.08 ... Right-Hand Outer Tine. 753-06016. $ 31.41 Add to Cart Back Order. QuickView Lynch Pin .1875 . 753-04070. $ 13.01 ...
Huskee Rear Tine Tiller Tine Tiller. Parts diagrams and manuals available. Free shipping on parts orders over $45. Yard Machines Rear-Tine Tiller - 21AA40M7752 | MTD Parts Safe Operation Practices • Set-Up • Operation • Maintenance • Service • Troubleshooting • Warranty L Rear Tine CRT Tiller -- 400 MTD LLC, P.O. BOX 361131 ...
Bought used, I think my wife said the guy said about 2 years old. the MTD rear tine tiller is subject to water contamination if left outside, even covered. there is a hex shaped shaft inside that the shift gears slides on, that will get a crusty, flacky rust coat that will sieze the gear on the shaft preventing proper shifting.
Page 15 frame and drive parts list ref. Rotary rear tine tiller. Montgomery ward rototiller part 2 it lives and replace belts duration. 208139 frame assembly. Or call or leave a message 877 277 4512.
Diagram Name; Model #31A-3AAD700 MTD gas snowblower: 31A-3AAD700: Fuel tank/wheels/handle. Shop Parts. Model #247885550 Craftsman gas snowblower: 247885550 : Handle/drive housing. Shop Parts. Model #31AM32BD799M MTD gas snowblower: 31AM32BD799M: Handles/wheels. Shop Parts. Model #380 MTD gas snowblower: 380: …
Find parts for your Yard Machines Rear-Tine Tiller. Parts diagrams and manuals available. Free shipping on parts orders over $45.
MTD 212-406-000 rear-tine tiller parts - manufacturer-approved parts for a proper fit every time! We also have installation guides, diagrams and manuals to help you along the way!
Total Ratings 6, $12.18 New. MTD Part 642-0005-0637 TINE ASSY-OUTER-LH. $43.98 New. MTD 734-04547 Tiller Wheel Genuine OEM Part. $25.00 New. Genuine MTD 741-0421 Bearing Bolens Columbia Craftsman Huskee Ryobi Yardman OEM. $22.50 New. MTD 931-0487 Cap-dust.
MTD Tiller 215-100AB2. MTD Vertical Rotary Tiller Owner's Operating Service Instruction Manual. Pages: 12. See Prices.
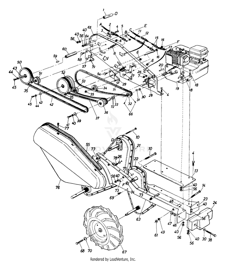
8 Oct 2014 — 75. 40. 747-0432. Tiller Flap Rod. 41. 750-0885A. Spacer, .322 x .625 x 2.00. 42. 786-0090A. Side Shield. 43. 786-0113A. Rear Tine ...52 pages
Use our part lists, interactive diagrams, accessories and expert repair advice to make your repairs easy. Please note shipping times may be longer than expected due to carrier delays. ... Repair Parts Home Lawn Equipment Parts MTD Parts MTD Tiller Parts MTD 21AA45M5031 Rear Tine Tiller Parts.
21.01.2022 · Not sure of the model but my old MTD Yardman rear tine tiller has a 5. After removing gearbox and taking apart we found the issue for our rear tine tiller not shifting. 99 Find Yard Machines Tiller Transmission, Brake & Clutch Replacement Parts at RepairClinic. tilling width and 8 in. • Inspect and r … Craftsman FRONT TINE TILLER WITH ...
MTD 21AA415A731 rear-tine tiller parts - manufacturer-approved parts for a proper fit every time! We also have installation guides, diagrams and manuals to help you along the way!
Popular MTD Tiller Parts. $ 16.56. In Stock. Add to cart. Lawn Mower Ground Drive Belt. Fix Number FIX9172714. Manufacturer Part Number 954-04032B. This is a drive belt and it is used on various outdoor lawn equipment. This part is made of rubber and is sold individually.
Click a diagram to see the parts shown on that diagram. In the search box below, enter all or part of the part number or the part’s name. Not all parts are shown on the diagrams—those parts are labeled NI, for “not illustrated”. We encourage you to save the model to your profile, so it’s easy to access parts and manuals for your appliance whenever you log in. For DIY …
19.01.2022 · Hillside German Shorthaired Pointer. Craftsman t3000 transmission problems
MTD Genuine Part Genuine Parts Riding Mower Upper Transmission Mtd Tiller Drive Belt Genuine Original Equipment Manufacturer (OEM) Part. by MTD. $ $ 12 74 Prime. Parts diagram for transmission - tine Craftsman Sears 6 h.p. and 8 h.p. rear tine tillers. Report This by Manage My Life.
MTD Rear Tine, Gas Tiller Owner's Manual, MTD Rear Tine, Gas Tiller installation guides. Download the manual with an introduc Mtd yard machine rear tine tiller manual - soup all mtd 5 hp rototiller manual as pdf, manual mtd hp 5 10.88mb mtd 5 hp rototiller manual as.View and Download MTD 410 Thru 420 operator's manual online.
Choose your Agri-Fab model from the list below to view a printable parts diagram. The diagram will open as a pdf file in a new window. Use that diagram to determine the Agri-Fab part numbers of the items you need. View Agri-Fab Parts Diagrams - choose your model. Carts; Model Number Name Parts List; 45-0101-999: Utility “12” Tow Dump Cart: 45-0101-999: 45-01011-999: Utility …
Find parts for your RT 65 Garden Tiller. Parts diagrams and manuals available. Free shipping on parts orders over $45. Skip to Main Content ... 47.5-inch Tine Engagement Cable. Item#: 946-1117. $45.96 Quickview ...
Comments
Post a Comment