39 stihl 029 chainsaw parts diagram
My stihl chainsaws engine gets seized in the recoiled start. I took the recoil start off and nothing was wrong with it, it was the engine. The flywheel was stuck and I turned it till it broke free. I put the recoiled back on, gave it 4-6 pulls, and it got stuck again. Then I took it all apart again and broke the fly wheel free and gave it a few pulls and it seized again. Any ideas. 12.02.2013 ... I picked up a stihl 029 basket case that the previous owner had ... a manual, please help. https://www.arboristsite.com/forums/chainsaw- ...
Ms210 230 250 Service Manual Stihl ms250 parts list diagram - msstyle. For my Stihl 038AV chainsaw: So there are 3 setting in the choke. So we tried to obtain some good stihl ms 390 parts diagram photo to suit your needs. Air Filter For Stihl 030 031 032 031av 032av Chainsaw New 1113 120 Carburetor Carb Repair Rebuild Kit for Stihl Chainsaws ...

Stihl 029 chainsaw parts diagram
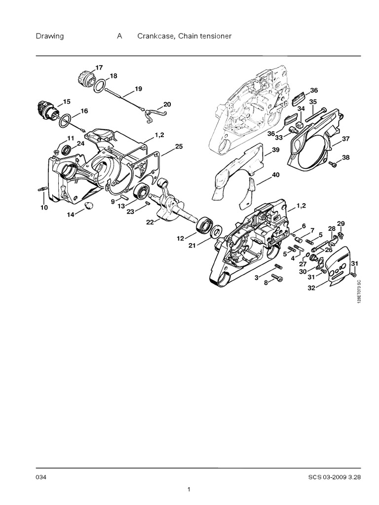
Items 1 - 48 of 315 ... Genuine Spare Parts for Stihl's popular 029 & 039 Chain Saws. Approved Stihl Dealer. Super Quick Delivery. Trade Prices. STIHL 029 Chainsaw Parts Quick Reference Guides ; 1. 605-679. Air Filter ; 2. 090-3607. Silver Streak Chain Loop Semi-Chisel ; 3. 090-3667. Silver Streak Chain ... Here at Lil' Red Barn, we offer high quality aftermarket suitable replacement Stihl 029 SUPER chainsaw parts. While most local retailers will have to order ...
Stihl 029 chainsaw parts diagram. Stihl 038 Chainsaw (038) Parts Diagram STIHL 038 Chainsaw Owners Manual SKU UPC Model. cindy mccrae on Nov 23, 2014. saw great - download sucks. saw works great. have need for schematic for master control lever. So far download doesnt start. Stihl 029 Chainsaw Parts Diagrams & Lists, Complete Assembly Drawings by Stihl, each covers the entire saw. Parts & Assembly Manuals are available for these ... Feb 1, 2018 - View Stihl MS 290 Chainsaw (MS290) Parts Diagram , Cylinder MS 290 to easily locate and buy the spares that fit this machine. Any idea what would cause my brand new chainsaw to stop running when titled like about to cut a tree? It’s brand new and has oil and gas and was never used when I bought it about a year ago.
Microfilmed parts list are always. more up to date than printed lists. A fault on the machine may have. several causes. Consult the. Find parts in the Stihl 029 chainsaw parts list below and find where to purchase them online. 1127 120 1610 Air Filter (old style) 1127 120 1611 Air Filter (old ... I am thinking about buying a used Stihl MS 290 Chainsaw that has little use for $300. Since Stihl did away with this model can you still get parts for it? Hello everyone, I hope you folks are having a great christmas so far! I have one question for you people who are more experienced, and maybe could help me here... I have received an over 20 years old Stihl 029 for christmas from my family, but the twist is, this machine has been sitting in the basement for over 10 years. Now, what I know so far, it's very dirty, the handle has some mold on it and overall, the entire machine is covered in heavy, sticky dust. Also, the fuel tank and the oil tank s...
Stihl 031AV Chainsaw Parts - Suitable Replacement Here at Lil' Red Barn, we offer high quality aftermarket suitable replacement Stihl 031AV chainsaw parts. While most local retailers will have to order your parts then wait for delivery, we have our parts in stock and ready to ship when you place an order with us. Repair and identify all chainsaw parts for the Stihl 031 AV (031AV series) with this parts list. The parts liist manual contains diagrams and accurate information as used by professional mechanics and repair shops to troubleshoot and identify all componants of the chainsaw. This is the Stihl 031 AV parts list manual. ... View and Download Stihl ... Select a page from the Stihl 029 Chainsaw (029) exploaded view parts diagram to find and buy spares for this machine. 11.01.2022 ... Stihl 029 Parts List to service and repair the 029 chainsaw. FREE page images or download full PDF to print or view on all devices.
Stihl ts 08 parts manual. 28/06/2016 · Die Stihl 08 Super wurde von 1965 bis 1995 gebaut. Technische Daten: Hubraum: 56 ccm Leistung: 3,5 PS Gewicht: 8,4 kg Kraftstoff: 1:20-1:25 U/min.: 7000. STIHL TS 700, 800 WARNING Read Instruction Manual thoroughly before use and follow all safety precautions - improper use can cause serious or fatal ...
Wide Use Parts: For Poulan, Craftman, STIHL, Husqvarna 2 cycle small engine fuel Line. Used on chainsaw / string trimmer / blower / weedeater / weed whackers and more. Quality Material: Excellent and durability tygon petrol fuel line, resist oil and gas, fearless against corrosion, swelling, hardening and low temperature, essential for small ...
Stihl 029 Chainsaw (029) Parts Diagram, Motor Housing ; 30, 9075 478 3015 - Stihl Pan Head Self-tapping Screw Is-d4x15, £0.61, To Basket ...
High-pressure cleaners brochure (PDF, 181.99 kB) The high pressure cleaners STIHL RE 88, RE 109, RE 119, RE 129 PLUS and RE 98. Featured parts for Stihl Chainsaw. Stihl Chainsaw Cap. Genuine OEM Part # 610-300 RC Item # 4363624. MediaCAT (STIHL parts catalog).rar is a compatible application that allows you to change the file association.
I bought a stihl 029 with a 20” bar today from a pawn shop for $160. I don’t know much about these saws. What can y’all tell me about them? She seems to run fat and Boggs down fast when under load. Could it be a just a dull chain? Thank you
I inherited my father's Stihl chainsaw from the late 80's and I am having trouble getting it to start. I haven't used it in awhile ( I have a bar chain problem that I haven't had time to solve ) but I've cranked it up every few months just to keep it running. I tried to pull it tonight but the chord gets hard to pull about three times when I pull it out. I pulled the plug and can tell that the catch is happening when the piston reaches top dead center. Does anyone have any ideas what is cau...
- Stihl 029 / 039 Chain Saw - Stihl 031 Chain Saw - Stihl 032 Chain Saw - Stihl 034 Chain Saw - Stihl 036 Chain Saw - Stihl 036 QS Chain Saw ... 066 Stihl Chainsaw Parts Diagram - Stihl MS 251 Chain Saw (2019) Stihl 066 Service Manual Pdf Download - Stihl MS 251 Chain Saw (2020) - Stihl MS 260 Chain Saw (2006)
Stihl Hs 75 80 85 Bg Service Repair Workshop Manual Do. Stihl Hs75 Hs80 20. Stihl Hs75 Hs80 Hs85 Hedge Trimmer Crankcase Assembly. Stihl hs 75 petrol hedgetrimmer hs75 parts diagram g control stihl hs80 hedge trimmer parts diagram new fuel line stihl hs 80 parts diagram 14 4 nuerasolar co how to sharpen hedge trimmer blades youtube.
Parts | Stihl Chainsaw Parts Online | HL MS AutomotiveZama c1 carburetor diagram - inwestorsi.plSTIHL | Chainsaw Parts StoreItems For Sale At Auction - ONLINE ESTATE OF PAUL J LILLEY Stihl MS200T 020T Chainsaw Parts, Stihl Parts Aftermarket Stihl MS 170 Parts List Manual - Chainsaw Workshop Manuals NEO-TEC | Chainsaw Parts Store STIHL MS170 ...
…Stihl 045 AV Chainsaw (045AV) Parts Diagram Stihl 041, 045, 051, 056, 076 Tillotson Hs Carburetor Rebuild Kit. Recoil starter spring model fit. Stihl ms180 recoil starter intended for stihl ms 250 parts diagram image size 715 x 702 px and to view image details please click the image.View results. 52. Hope it helps. STIHL BARS.
Here at Lil' Red Barn, we offer high quality aftermarket suitable replacement Stihl 029 SUPER chainsaw parts. While most local retailers will have to order ...
STIHL 029 Chainsaw Parts Quick Reference Guides ; 1. 605-679. Air Filter ; 2. 090-3607. Silver Streak Chain Loop Semi-Chisel ; 3. 090-3667. Silver Streak Chain ...
Items 1 - 48 of 315 ... Genuine Spare Parts for Stihl's popular 029 & 039 Chain Saws. Approved Stihl Dealer. Super Quick Delivery. Trade Prices.
Comments
Post a Comment