Novsight is a company working on design and sale the best Auto LED Lighting, LED Headlight Conversion Kit, Fog Lamp, Led Work Lights,LED Headlight Bulb for Car, Truck, SUV, Jeep and pickup,Free Shipping To 35 Countries. Password requirements: 6 to 30 characters long; ASCII characters only (characters found on a standard US keyboard); must contain at least 4 different symbols;
808k Followers, 831 Following, 7,999 Posts - See Instagram photos and videos from Georgia Football (@georgiafootball)

2000 honda civic headlight wiring diagram
Installation: Professional installation recommendedDirect connection with the fog lamp wire coming from the master wiring harness.For high beam, the high beam/ solenoid wires to be connected with headlight high beam wires.Or you may use a separate switch for the fog lamp high beam.Insulate every connecting point properly to avoid any technical ... 2 days ago · B2b kajang prima. email protected] [email protected] FlexRay uses twisted-pair wiring but can also support a dual-channel setup, which can increase fault tolerance and bandwidth. However, most FlexRay implementations use only a single pair of wiring similar to CAN bus implementations. Network Topology. FlexRay supports a standard bus topology, like CAN bus, where many ECUs run off a twisted-pair bus.
2000 honda civic headlight wiring diagram. FlexRay uses twisted-pair wiring but can also support a dual-channel setup, which can increase fault tolerance and bandwidth. However, most FlexRay implementations use only a single pair of wiring similar to CAN bus implementations. Network Topology. FlexRay supports a standard bus topology, like CAN bus, where many ECUs run off a twisted-pair bus. 2 days ago · B2b kajang prima. email protected] [email protected] Installation: Professional installation recommendedDirect connection with the fog lamp wire coming from the master wiring harness.For high beam, the high beam/ solenoid wires to be connected with headlight high beam wires.Or you may use a separate switch for the fog lamp high beam.Insulate every connecting point properly to avoid any technical ...
97 civic headlamp switch - HondaCivicForum.com
92-95 DX Civic Headlight Wiring. - Honda-Tech - Honda Forum ...
1998 Honda Civic Stereo Wiring Color Codes : 6th Generation Honda Civic
HID relay harness install question/help - Honda Civic Forum
On my 93 prelude my drivers side headlight does not turn on ...
I have a 2000 honda civic the brake light do not work. I have ...
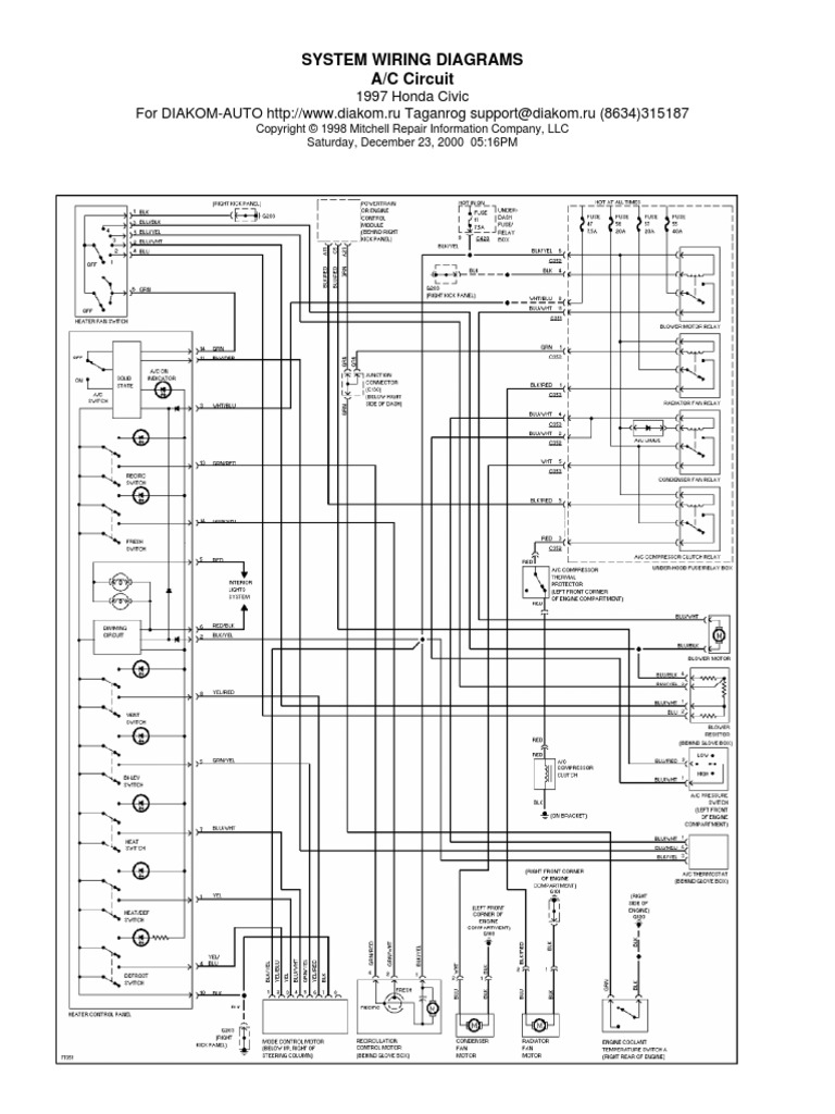
Honda Civic 97 Wiring Diagram - [PDF Document]
Wiring Diagrams for Cars, Trucks, & SUVs - AutoZone
1997 Honda Civic Fuse Layout â Ricks Free Auto Repair Advice ...
2001 Honda Accord Wiring Diagram | Honda accord, Honda, Honda ...
97 96 Honda Civic Headlight Wire Harness Wires Wiring Engine ...
How To - Honda Civic Wipers Don't Work - My Pro Street
HID problem - Honda Civic Forum
Wiring Diagrams for Cars, Trucks, & SUVs - AutoZone
How To Use Honda Wiring Diagrams 1996 to 2005 Training Module Trailer
Honda Civic 97 Wiring Diagram | PDF | Automotive Technologies ...
Ignition System Wiring Diagram (1999-2000 1.6L Honda Civic)
1998-2002 Honda Accord Headlights Replacement (1998, 1999 ...
Fuse Box Diagram Honda Civic (1996-2000)
Honda Civic Headlight Bulb Size â Halogen, Xenon, LED ...
HEADLIGHTS â Honda Civic LX 2008 â SYSTEM WIRING DIAGRAMS ...
Honda Civic EX 2000 Fuse Box/Block Circuit Breaker Diagram ...
Wireworx Honda Civic EK "WireTuck-In-A-Box" - WIREWORX
Headlight wiring diagram 2002 Honda Civic SI ...
2000 civic ex with a GSR, no power when turn ignition key ...
OFFICIAL DIY: wire tuck the passenger side headlight harness ...
H4/9007 HID Relay Installation Instructions
99 00 Honda Civic Headlight Wire Harness Engine Room Wiring ...
How To Honda Civic Stereo Wiring Diagram - My Pro Street
HONDA Car Radio Stereo Audio Wiring Diagram Autoradio ...
Civic EG View topic - DIY: EDM headlights plus 2 vids
HONDA Civic Wiring Diagrams - Car Electrical Wiring Diagram
Fuse Box Diagram Honda Civic (1996-2000)
OE Replacement for 1993-1997 Honda Civic del Sol Headlight Wiring Harness (S / Si / VTEC)
50 1996 Honda Accord Fuse Box Diagram El8q | Honda civic ...
2001 Civic LX with no Low Beam Headlights - Honda Civic Forum
Honda Civic (1996 - 2000) - fuse box diagram - Auto Genius
Daniel Stern Lighting Consultancy and Supply
How To Honda Civic Car Alarm Wiring Diagram - My Pro Street
honda diagram fuel injection wiring diagram - Fixya
Honda Civic 97 Wiring Diagram [PDF|TXT]
Wireworx Honda Civic EK "WireTuck-In-A-Box" - WIREWORX
Comments
Post a Comment