Skip to main content

43 briggs and straton wiring diagram

Alternator Identification Briggs & Stratton engines are equipped with a number of different alternator systems to meet the requirements of equipment ... Ariens 915071 (020000 - ) 15.5hp Briggs & Stratton, 34" Mower (1534) Wiring Diagram Exploded View parts lookup by model. Complete exploded views of all the ...

Briggs And Stratton Ignition Switch Wiring Diagram from www.outdoorking.com. Print the wiring diagram off plus use highlighters to trace the signal. When you make use of your finger or perhaps the actual circuit with your eyes, it is easy to mistrace the circuit. 1 trick that We 2 to printing a similar wiring plan off twice.

Briggs and straton wiring diagram

Briggs and straton wiring diagram

Briggs and Stratton Illustrated Parts Diagrams available online from LawnMowerPros and ready to assist you in finding your repair parts. We are an Authorized Briggs and Stratton Small Engine Dealer carrying a large selection of Illustrated Parts Lists. In addition to wiring diagrams, Alternator Identification information, Alternator Specifications, and procedures for the replacement of an older Briggs & Stratton engine with a newer Briggs & Stratton engine that utilizes a different style alternator (output connector) are also available in this guide. Briggs And Stratton Vangaurd 16,18,20 hp ... Just like the Briggs and Stratton governor linkage diagram, this one is a rare one to get your hands on.We're talking about the Briggs and Stratton governor spring diagram.Not being able to locate the part becomes an obstacle in your intention that could be anything from installation, replacement to just being basically having enough information about the part.

Briggs and straton wiring diagram. Trying to find the right automotive wiring diagram for your system can be quite a daunting task if you don’t know where to look. Luckily, there are some places that may have just what you need. Here’s where to start. Before you search for a... Oct 15, 2018 · Briggs And Stratton Charging System Wiring Diagram Electrical – Briggs And Stratton Wiring Diagram. Wiring Diagram consists of many comprehensive illustrations that present the relationship of varied items. It contains guidelines and diagrams for different varieties of wiring techniques and other things like lights, home windows, and so forth. | Briggs & Stratton. Aucune étincelle dans votre moteur de tondeuse à gazon ou de souffleuse à neige ? Utilisez ce guide pour tester et dépanner les problèmes ... Briggs And Stratton Starter Solenoid Wiring Diagram. Print the wiring diagram off plus use highlighters to trace the signal. When you make use of your finger or perhaps the actual circuit with your eyes, it is easy to mistrace the circuit. 1 trick that We 2 to printing a similar wiring plan off twice. Upon one, I'll trace the current movement ...

In addition to wiring diagrams, Alternator Identification information, Alternator Specifications and procedures for the replacement of an older Briggs & Stratton engine with a newer Briggs & Stratton engine that utilizes a different style alternator (output connector) are also available in this guide. For a more detailed schematic specific to your piece of equipment, your best source of ... Find Your Manual or Parts List. Find the operator's manual or illustrated parts list for your Briggs & Stratton engine or product by following the instructions below. Looking for a part number? Use the Parts Lookup tool to find your part number, availability & pricing, and order online. 1. Locate your model number. ment Briggs & Stratton engine was equipped with a carburetor solenoid, it would not function. This is why it is important to have a diagram of the keyswitch when replacing engines, or replace the keyswitch with one that is compatible with all Briggs & Stratton alternator systems. 1 Ground (Used only with insulated panel) 2 To Carburetor Solenoid. Alternator Identification - Briggs And Stratton Alternator Wiring Diagram Wiring Diagram includes the two illustrations and step-by-step directions that might allow you to really construct your undertaking. This really is helpful for each the folks and for professionals that are seeking to learn more on how to set up a functioning atmosphere.

December 11, 2018 - For your engine questions please call our answer center at 1 800 999 9333. Hi im new to this forum im not sure if im posting in the correct... Briggs and stratton 135 hp ic gold newer style 2 piece carburetor linkage setup. It's also a good idea to replace. Briggs And Stratton Wiring Diagram 14hp. Make sure the throttle linkage plate looks like the one in the pick and it hasn't jumped over the stopping block. 23 Hp Kohler Engine Wiring Further Briggs And Stratton Governor. March 3, 2010 - I've been asked about wiring alot recently. So here is a diagram that should help everyone. Let me know if you have any questions. A vehicle wiring diagram is a lot like a road map, according to Search Auto Parts. Wiring diagrams are laid out similar to a road map because the diagrams show how each major electrical system, individual circuit and sub-system connects, th...

Briggs & Stratton 030796-00 - Q6500, 50Hz 6,500 Watt Briggs ...

Briggs & Stratton 030796-00 - Q6500, 50Hz 6,500 Watt Briggs ...

Briggs And Stratton Ignition Wiring Diagram - Wiring Data Diagram - Briggs And Stratton Wiring Diagram 16 Hp. Wiring Diagram will come with several easy to follow Wiring Diagram Guidelines. It is supposed to aid each of the typical consumer in developing a suitable program. These directions will probably be easy to understand and apply.

SOLVED: Need wiring diagram for briggs & Stratton 17.5 - Fixya

SOLVED: Need wiring diagram for briggs & Stratton 17.5 - Fixya

Briggs & Stratton sells electrical components pertaining to the engine only. However, if you're needing to replace or rebuild parts of the small engine on your lawn mower, snow blower or other outdoor power equipment, the basic schematics or wiring diagrams of our alternator systems wired to a generic piece of equipment are available in our:

starter solenoid wiring diagram from battery to solenoid ...

starter solenoid wiring diagram from battery to solenoid ...

Wiring Diagram For Briggs And Stratton 18 Hp - Readingrat, size: 800 x 600 px, source: az417944. Need a throttle linkage diagram for a briggs stratton engine model 9s502 type 0620Showing all of the throttle / governor and choke linkages on very common Briggs and Stratton V-Twin Engines, very similar on just about Briggs V Twin.

wiring diaghrams - Briggs Engine Wiring Diagram | Riding ...

wiring diaghrams - Briggs Engine Wiring Diagram | Riding ...

Following diagrams is pretty simple, but making use of it in the scope of how the system operates is a new different matter. Our most sage advice is not really only look from the diagram, yet understand how the components operate when within use. Briggs And Stratton Model 42A707 Wiring Diagram Source: www.untpikapps.com.

Briggs & Stratton 030380-0 - Briggs & Stratton 5,000 Watt ...

Briggs & Stratton 030380-0 - Briggs & Stratton 5,000 Watt ...

The Briggs and Stratton push mower tune-up kit includes a pack of Stabil, 18 ounce bottle of oil, spark plug and air filter, so the correct answer would be 18 ounces. Always check the oil level ...

wire up vanguard engine - Talking Tractors - Simple trACtors

wire up vanguard engine - Talking Tractors - Simple trACtors

June 11, 2019 - Complete exploded views of all the major manufacturers. 21r707 0130 105hp vertical 1x3 532 shaft intek ohv recoil and electric start 16amp ...

SOLVED: Wiring diagram for murray briggs/murray46 garden - Fixya

SOLVED: Wiring diagram for murray briggs/murray46 garden - Fixya

Briggs and Stratton Power Products 030426-0 - 8,000 Watt Briggs & Stratton Wiring Diagram Exploded View parts lookup by model. Complete exploded views of all the major manufacturers. It is EASY and FREE

16hp Vanguard wiring help - Wheel Horse Electrical ...

16hp Vanguard wiring help - Wheel Horse Electrical ...

Briggs and stratton charging system wiring diagram wiring diagram is a simplified agreeable pictorial representation of an electrical circuit it shows the components of the circuit as simplified shapes and the aptitude and signal contacts in the middle of the devices. If not the structure will not work as it ought to be.

Unit wiring diagram | Briggs & Stratton 040229-1 User Manual ...

Unit wiring diagram | Briggs & Stratton 040229-1 User Manual ...

20 Hp Briggs And Stratton Engine Wiring Diagram In this Briggs & Stratton FAQ, you'll learn how to check for a dead lawn mower I have a Craftsman riding mower with B&S…

Columbia Lawn tractors 8/760 HA 139-5040 (1989) Wiring ...

Columbia Lawn tractors 8/760 HA 139-5040 (1989) Wiring ...

Ignition/Starter Diagram. 6-Pin Wire Harness Assembly Installation Guide. Alternator Specs. In addition to wiring diagrams, these guides also provide information on Alternator Identification and procedures for an engine replacement with a new Briggs & Stratton engine that utilizes a different style alternator (output connector). If you wish to perform any required small engine maintenance or repairs yourself, a good source for engine specifications and technical servicing information is a ...

Simplicity 5901842 Wiring Diagram | Manualzz

Simplicity 5901842 Wiring Diagram | Manualzz

briggs and Stratton 8hp wiring diagram please help model 190707 type 552501 code 82030812 it has electric start please help

493625-Kit Briggs & Stratton BS-493625Kit - from Vanguard ...

493625-Kit Briggs & Stratton BS-493625Kit - from Vanguard ...

May 16, 2019 - Governor throttle spring setup on 35 h briggs. Briggs and stratton governor spring. Briggs And Stratton Carburetor Spring D...

Briggs Engine Wiring Diagram

Briggs Engine Wiring Diagram

November 16, 2019 - Question about Briggs Stratton Lawnmower Lawn Mower Short Block ... wiring diagram crossed wires need to find electrical diagram the wires you have are a ground wire a charging wire if you have a charger and the coil plug wire on a short blocked motor you might have a

Briggs and Stratton 8 HP Wiring Diagram

Briggs and Stratton 8 HP Wiring Diagram

Briggs & Stratton ignition coil wiring diagram related problems. off the points? to the coil, or condensor wire goes to the schematron.orgser lead is attached to the. Check the cut-off wire from the condenser/points is ok and not .. wiring diagram for a single cylinder electronic ignition machine from my.Briggs and Stratton CONDENSER.

SOLVED: Would like wiring diagram for starter selonoid for ...

SOLVED: Would like wiring diagram for starter selonoid for ...

Briggs And Stratton Wiring Diagram – briggs and stratton wiring diagram, briggs and stratton wiring diagram 12.5 hp, briggs and stratton wiring diagram 12hp, Every electric structure is composed of various distinct pieces. Each part ought to be set and connected with different parts in specific way. If not, the structure will not work as it ought to be.

Briggs & Stratton 1814-0 - Briggs & Stratton 200 Amp Transfer ...

Briggs & Stratton 1814-0 - Briggs & Stratton 200 Amp Transfer ...

11 Hp Briggs And Stratton Engine Wiring Diagram Briggs amp Stratton alternator stator switch wiring April 11th, 2019 - Re Briggs amp Stratton alternator stator switch wiring diagrams Thanks CityFarmer that link is great Now if someone would post links to the same info for the other engine manufacturing companys we could put it all in one place for easy access

Motor swap to Vanguard 810 | Page 2 | LawnSiteâ„¢ is the ...

Motor swap to Vanguard 810 | Page 2 | LawnSiteâ„¢ is the ...

Oct 17, 2021 - Awesome Briggs Stratton 8hp Wiring Diagram . Awesome Briggs Stratton 8hp Wiring Diagram Awesome. Wrg 6786] Briggs and Stratton 12 Hp Wiring ...

460-006 Ignition Coil

460-006 Ignition Coil

January 22, 2021 - Thank you for your question. I know it is frustrating to connect the engine if you do not have a diagram. Over the years Briggs and Stratton has put out many of the twin cylinder engines. Unfortunately, the wiring also changed. If you could please reply below with the complete model number ...

Wiring schematic for Briggs 16 hp - Talking Tractors - Simple ...

Wiring schematic for Briggs 16 hp - Talking Tractors - Simple ...

Basic Wiring Diagram For All Garden Tractors Using A Stator And - Briggs And Stratton Charging System Wiring Diagram Wiring Diagram includes many comprehensive illustrations that display the connection of varied items. It includes directions and diagrams for various types of wiring strategies along with other things like lights, home windows, etc.

Briggs & Stratton Power Products 5563-0 - C8000, 8,000 Watt ...

Briggs & Stratton Power Products 5563-0 - C8000, 8,000 Watt ...

In addition to wiring diagrams, Alternator Identification information, Alternator Specifications and procedures for the replacement of an older Briggs & Stratton engine with a newer Briggs & Stratton engine that utilizes a different style alternator (output connector) are also available in this guide. 800 x 600 px, source: Briggs-Stratton Model 311707-0125-E1 Engine Genuine Parts - Briggs ...

Briggs & Stratton Power Products_DEL_26072017021729 ...

Briggs & Stratton Power Products_DEL_26072017021729 ...

-How To- Charging and Kill Wire For Briggs and Stratton Opposed MotorsIn This Video I Explain Where The Charging And Kill Wire Are On An Opposed Briggs and S...

Stator wires on 13HP Briggs and Stratton | My Tractor Forum

Stator wires on 13HP Briggs and Stratton | My Tractor Forum

Briggs And Stratton Charging System Wiring Diagram Video Parallel connection is much more complicated than the series one. Unlike in string connection, the voltage of each part is similar. It is because the component is directly linked to power supply. This circuit consists of branches which are passed by distinct electrical current levels.

SOLVED: I need a wiring diagram for a 13.5 hp briggs and - Fixya

SOLVED: I need a wiring diagram for a 13.5 hp briggs and - Fixya

In addition to wiring diagrams, these guides also provide information on Alternator Identification and procedures for an engine replacement with a new Briggs & Stratton engine that utilizes a different style alternator (output connector).Wiring colors on 18HP Vanguard ignition.need help re wiring 18 hp briggs vanguard vtwin.

Schematic/Wiring Diagram. Briggs & Stratton 030210, 30209 ...

Schematic/Wiring Diagram. Briggs & Stratton 030210, 30209 ...

Scag SSZ4216BV (40000-49999) ELECTRICAL WIRING DIAGRAM - BRIGGS & STRATTON VANGUARD Exploded View parts lookup by model. Complete exploded views of all the ...

Intek Briggs And Stratton Wiring Diagram - Wiring Forums ...

Intek Briggs And Stratton Wiring Diagram - Wiring Forums ...

14 5hp Briggs And Stratton Wiring Diagram SOLVED I need a wiring diagram for a 13 5 hp briggs and April 10th, 2019 - I need a wiring diagram for a 13 5 hp briggs and stratton motor It is replacing a 12 5 hp B amp S There is a fuel solenoid on the new motor I have purchased a Murray idnition switch which

Wiring Problems for 18HP Intek Briggs and Stratton | LawnSite ...

Wiring Problems for 18HP Intek Briggs and Stratton | LawnSite ...

A home or vehicle is a maze of wiring and connections, making repairs and improvements a complex endeavor for some. Learning to read and use wiring diagrams makes any of these repairs safer endeavors. These simple visual representations all...

Briggs and Stratton Power Products 030309-0 - ProMax 7500 MEA ...

Briggs and Stratton Power Products 030309-0 - ProMax 7500 MEA ...

How electrical system is wired for Briggs and StrattonBriggs & Stratton Service Manual - https://ebay.to/2Lh1MMn.

Briggs & Stratton Porsche 930 Owner's manual Wiring diagram ...

Briggs & Stratton Porsche 930 Owner's manual Wiring diagram ...

110 hp 205 rpm 8900 snap ego cc 96 hp. Thank you denny answered by a verified technician.

BRIGGS & STRATTON 030360-0 WIRING DIAGRAM Pdf Download ...

BRIGGS & STRATTON 030360-0 WIRING DIAGRAM Pdf Download ...

on Briggs And Stratton Voltage Regulator Wiring Diagram. shunt is designed to read voltage drops due to the resistance of the metal be- tween the Two wires of the same color feeding a regulator/rectifier is a rectified . Need to see what alternator and voltage regulator it was setup with.

I need a wiring diagram for a series 1150 (250cc) (2013 ...

I need a wiring diagram for a series 1150 (250cc) (2013 ...

Briggs and Stratton 44Q977-0200-G5 Exploded View parts lookup by model. Complete exploded views of all the major manufacturers. It is EASY and FREE

Briggs & Stratton Power Products_DEL_26072017021729 ...

Briggs & Stratton Power Products_DEL_26072017021729 ...

If you are replacing your ride on mower engine with one of the new Briggs & Stratton 17.5HP (31S977) or 19HP (33S877) Pro Series Models, the wiring loom and connector might be slightly different to your old model, depending on what brand of ride on mower you have.

SOLVED: How to Wire starter on a Craftman 12.5 HP I/C Gold ...

SOLVED: How to Wire starter on a Craftman 12.5 HP I/C Gold ...

Wiring Diagram For Briggs And Stratton 18 Hp The Wiring Diagram size. At times the wires will cross. It consists of instructions and diagrams for various types of wiring methods as well as other products like lights windows and so on.

Briggs and stratton 18.5hp motor replacement with Jono ...

Briggs and stratton 18.5hp motor replacement with Jono ...

Briggs and stratton 16 hp wiring diagram.Feb 29, · How electrical system is wired for Briggs and Stratton Feel free to donate with crypto below if you found this video helpful: 800 x 600 px, source: The V-twins, made by DBS, had sold very well but the single- cylinder engine These first models were rated 16 hp ( kW) and displaced 40 cubic by a twin-cylinder 16 hp ( kW) Briggs & Stratton ...

Basic Wiring Diagram for all Garden Tractors using a Stator ...

Basic Wiring Diagram for all Garden Tractors using a Stator ...

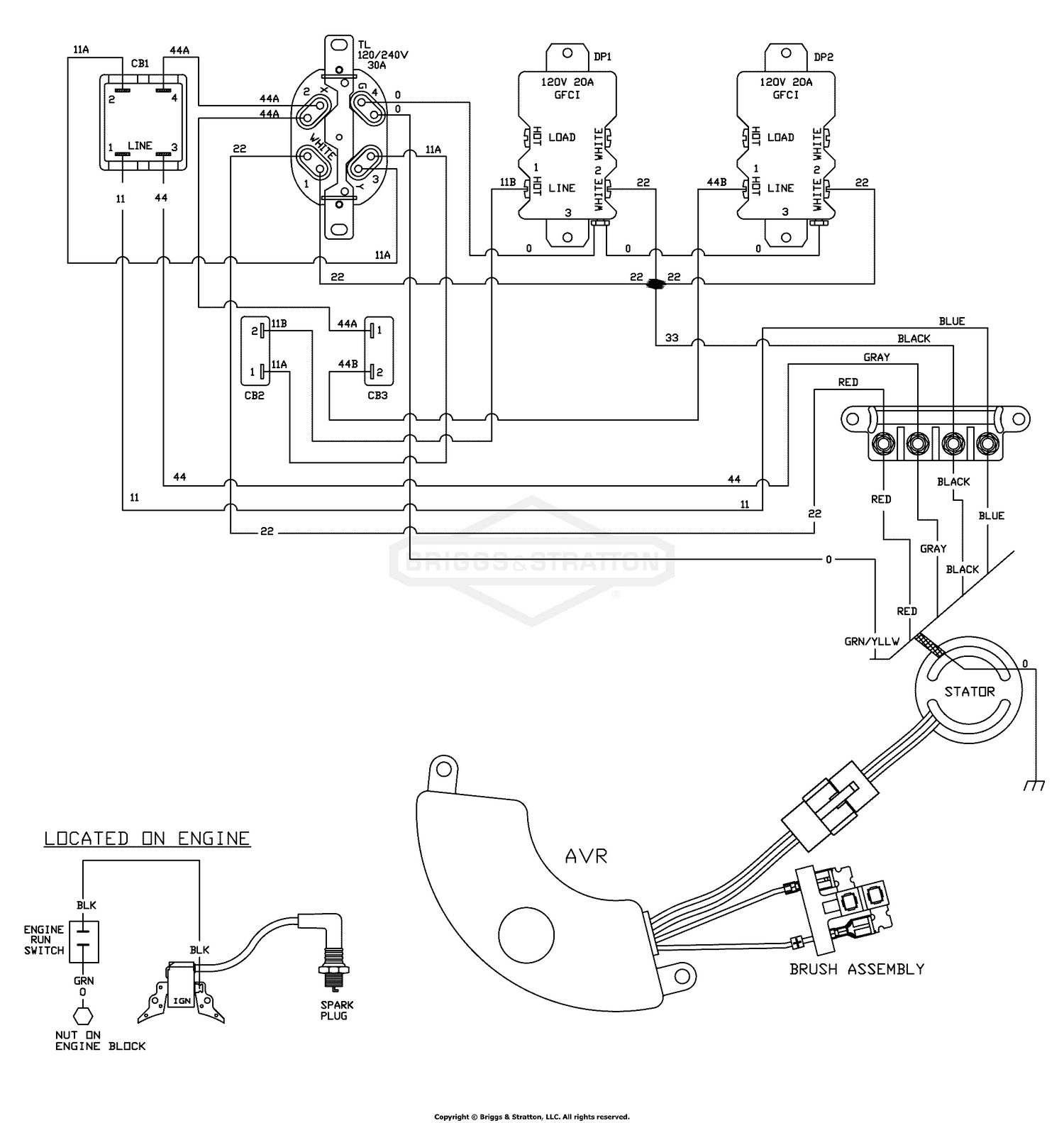
View and Download Briggs & Stratton wiring diagram & schematic online. Briggs & Stratton Watt Portable Generator Product Manual. Portable Generator pdf manual download. Remove the control panel fuse when. Briggs & Stratton is committed to helping you every step of the way. In fact, we've designed a step-by-step guide, so you can make the right ...

18 hp Vanguard wiring brand new never run | Case Colt ...

18 hp Vanguard wiring brand new never run | Case Colt ...

Jul 23, 2019 - Wiring Diagram For Briggs And Stratton 18 Hp – Readingrat by wiringforums

ENGINE ALTERNATOR REPOWER GUIDE

ENGINE ALTERNATOR REPOWER GUIDE

Brigg Stratton Vanguard 16 Hp Basic Wiring Diagram. Husqvarna Iz 5223 Tvan 968999526 2006 08 Parts Diagram For Briggs Stratton 23hp Vanguard Engine Assembly. Briggs Vanguard Engine Switch Kit With Wiring Cushman 692318 Bs 493625kit Com. Briggs Stratton Engine 386777 0144 G1 23 Hp Vanguard 1 8 Ongines Com.

White Outdoor garden tractor GT-2550 wiring diagram

White Outdoor garden tractor GT-2550 wiring diagram

May 11, 2013 - Ignition_wiring Basic Wiring Diagram BRIGGS & STRATTON - Free download as PDF File (.pdf), Text File (.txt) or view presentation slides online. Briggs & Stratton ignition

BRIGGS & STRATTON 30426 WIRING DIAGRAM & SCHEMATIC Pdf ...

BRIGGS & STRATTON 30426 WIRING DIAGRAM & SCHEMATIC Pdf ...

I need an engine wiring Diagram for a Briggs and Stratton H.P. 31C - Answered by a verified Technician. Read through this Briggs and Stratton FAQ to find the electrical schematic or wiring diagram for your small engine if maintenance or repair is needed!.Briggs And Stratton 17 5 Hp Engine Diagram ~ here you are at our site, this is images about ...

Craftsman tractor electrical issue - stumped | Bob Is The Oil Guy

Craftsman tractor electrical issue - stumped | Bob Is The Oil Guy

Just like the Briggs and Stratton governor linkage diagram, this one is a rare one to get your hands on.We're talking about the Briggs and Stratton governor spring diagram.Not being able to locate the part becomes an obstacle in your intention that could be anything from installation, replacement to just being basically having enough information about the part.

Briggs & Stratton 030676-01 - Briggs & Stratton 3,500 Watt ...

Briggs & Stratton 030676-01 - Briggs & Stratton 3,500 Watt ...

In addition to wiring diagrams, Alternator Identification information, Alternator Specifications, and procedures for the replacement of an older Briggs & Stratton engine with a newer Briggs & Stratton engine that utilizes a different style alternator (output connector) are also available in this guide. Briggs And Stratton Vangaurd 16,18,20 hp ...

Briggs & stratton 030592C-00 Manuals | ManualsLib

Briggs & stratton 030592C-00 Manuals | ManualsLib

Briggs and Stratton Illustrated Parts Diagrams available online from LawnMowerPros and ready to assist you in finding your repair parts. We are an Authorized Briggs and Stratton Small Engine Dealer carrying a large selection of Illustrated Parts Lists.

15 hp briggs & stratton missing parts - DoItYourself.com ...

15 hp briggs & stratton missing parts - DoItYourself.com ...

Briggs and Stratton Power Products 030324-0 - 5,550 Watt ...

Briggs and Stratton Power Products 030324-0 - 5,550 Watt ...

Comments

Popular posts from this blog

40 data center network diagram

39 2.4 ecotec timing chain diagram

39 emg hz wiring diagram