Skip to main content

42 2004 jeep liberty engine diagram

2002 Jeep Liberty Engine Diagram - nr-media-01 ... hole to start Detailed Jeep Cherokee Engine and Associated Service Systems (for Repairs and Overhaul) Jeep - Liberty - Wiring Diagram - 2008 - 2008. Jeep Grand Wagoneer Workshop Manual (V8-360 5.9L VIN N 2-bbl (1985)) Jeep - Liberty - Workshop Manual - 2002 - 2007. Jeep Wrangler Workshop Manual (L6-258 4.2L VIN M 2-bbl (1989)) Some of our more ... 2004 Jeep Liberty Service Repair Manuals & PDF Download 2004 JEEP LIBERTY FACTORY SERVICE / DIY REPAIR MANUAL (Free Preview, Complete FSM Contains Everything You Will Need To Repair Maintain Your Vehicle!) ... Jeep Liberty With 2.4L & 3.7L Engine Complete Workshop Service Repair Manual 2004 2005 2006 2007;

PDF Engine Diagram 2004 Jeep Liberty - learn.embracerace.org Engine Diagram 2004 Jeep Liberty Description: Jeep Wrangler Engine 2.5 L 4-Cylinder | 87-95' Yj Wrangler Parts inside 2004 Jeep Liberty Parts Diagram, image size 630 X 863 px, and to view image details please click the image..

2004 jeep liberty engine diagram

2004 jeep liberty engine diagram

automobilediagram.com › chevy-1500-silverado-2000Chevy 1500 Silverado 2000-2005 Fuse Box Location and Diagram ... The Chevy 1500 Silverado has three total fuse boxs; under the hood, instrument panel, and center council. Please comment below if you have any questions! Chevy 1500 Owners Manual The fuse block access door is on the driver’s side edge of the instrument panel. 2004 Jeep Liberty Replacement Engine Pulleys — CARiD.com 0. # 20741284. Jeep Liberty 2004, DriveAlign™ Automatic Belt Tensioner by Gates®. This premium product is the best way to go for those looking for the highest quality replacement that offers supreme levels of quality, performance and reliability.... Comprehensive line includes parts to fit cars, vans, SUVs, and light trucks Full line ... › chevrolet-tahoe-2004-fuseChevrolet Tahoe (2004) - fuse box diagram - Auto Genius Jan 04, 2018 · Chevrolet Tahoe (2004) – fuse box diagram Year of production: 2004 Instrument panel fuse block The fuse block access door is on the driver’s side edge of the instrument panel. Fuses Usage RR Wiper Rear Window Wiper Switch SEO ACCY Special Equipment Option Accessory WS WPR Windshield Wipers TBC ACCY Truck Body Controller Accessory IGN 3 Ignition, Heated Seats …

2004 jeep liberty engine diagram. Timing chain jeep liberty 2004 3.7l diagram - Fixya SOURCE: i need a timing chain diagram for a 2002 jeep This is the procedure on it. View Full Image INSTALLATION NOTE: Assemble the timing chain, crankshaft sprocket and camshaft sprocket with the timing marks aligned Fig. 5. Apply Mopar(TM) Silicone Rubber Adhesive Sealant to the keyway in the crankshaft and insert the key With the key in the keyway on the crankshaft, install the assembly on ... 2004 Jeep Liberty Wiring Diagram Images - Wiring Diagram ... 2004 Jeep Liberty Wiring Diagram Images. Faltering to take the proper precautions or to use the right tools can put you you in danger. Common risks include electrocution and possible electrical open fire. 2004 Jeep Liberty Wiring Diagram 2004 Jeep Liberty Wiring Diagram from Jeep Liberty Evap System Diagram - wiringall.com Jeep Evap System Diagram ~ you are welcome to our site, this is images about jeep evap system diagram posted by Benson Fannie in category on Nov 15, You can also find other images like wiring diagram, parts diagram, replacement parts, electrical diagram, repair manuals, engine diagram, engine scheme, wiring harness, fuse box, vacuum diagram ... 2004 JEEP LIBERTY 3.7L V6 Engine Parts | RockAuto RockAuto ships auto parts and body parts from over 300 manufacturers to customers' doors worldwide, all at warehouse prices. Easy to use parts catalog.

I have a 2004 Jeep Liberty with 3.7L engine, 72,000 miles ... -2004 Jeep Liberty, 3.7L Gasoline Engine . Is your complaint the check engine light coming on or an overheating condition? Also, I looked over the 03 and 04 wiring diagrams for the radiator cooling fan and both show the ground for the fan being on a Black/Orange wire at the fan. The power for the 03 is provided on a single wire that is yellow. PDF WIRING DIAGRAMS - uCoz Chrysler wiring diagrams are designed to provide information regarding the vehicles wiring content. In order to effectively use Chrysler wiring diagrams to diagnose and repair a Chrysler vehicle, it is impor-tant to understand all of their features and charac-teristics. Diagrams are arranged such that the power (B+) › toyota-hilux-2004-2015-fuseToyota Hilux (2004- 2015) - fuse box diagram - Auto Genius May 19, 2018 · Engine Compartment Fuse Box Toyota Hilux – fuse box diagram – engine compartment fuse box. A. 1TR-FE, 2TR-FE, 1GR-FE. Toyota Hilux – fuse box diagram – engine compartment relay box. 1KD-FTV w/o DPF, 2KD-FTV w/o DPF, 5L-E. Toyota Hilux – fuse box diagram – engine compartment relay box. 1KD-FTV w/ DPF, 2KD-FTV w/ DPF 2004 Jeep Liberty Cooling Fan Wiring Diagram - easywiring Your jeep liberty s radiator fan has one of the most important jobs on the vehicle it is the last line of defense between you and an overheating engine. 2003 2004 jeep liberty kj w 3 7l engine hd cooling 2007 jeep liberty kj w 3 7l engine hd cooling approx 19 1 4 in diameter. Jeep liberty 2004 fuse box diagram year of production.

2004- Jeep Liberty Vehicle Wiring Chart and Diagram 2004- Jeep Liberty Wiring Diagram Printer Friendly Version Listed below is the vehicle specific wiring diagram for your car alarm, remote starter or keyless entry installation into your 2004- Jeep Liberty . This information outlines the wires location, color and polarity to help you identify the proper connection spots in the vehicle. All Wiring Diagrams for Jeep Liberty Limited 2004 - Wiring ... 3.7L, Engine Performance Wiring Diagram (3 of 5) for Jeep Liberty Limited 2004. Get Access all wiring diagrams car. › jeepJeep Workshop Repair | Owners Manuals (100% Free) Jeep - Liberty - Wiring Diagram - 2008 - 2008 Jeep - Cherokee - Workshop Manual - 1986 - 1986 Jeep Grand Wagoneer Workshop Manual (V8-360 5.9L VIN N 2-bbl (1985)) Cooling Diagram for Jeep Liberty KJ (2002-2007) 1999-2001 Jeep Grand Cherokee WJ w/ 4.7L engine 2003-2004 Jeep Liberty KJ w/ 3.7L engine & HD cooling 2007 Jeep Liberty KJ w/ 3.7L engine & HD cooling Approx 19-1/4" in diameter; 2 wires out of motor; includes motor.

CRD Diagrams :: Jeep Liberty/KJ 2001—2007 :: Jeep Liberty ...

CRD Diagrams :: Jeep Liberty/KJ 2001—2007 :: Jeep Liberty ...

Jeep Liberty (2002-2007) Fuse Diagram - FuseCheck.com Fuse box diagram (fuse layout), location, and assignment of fuses and relays Jeep Liberty (KJ) (2002, 2003, 2004, 2005, 2006, 2007).

2002 Jeep Liberty Limited V6 Overview of head job

2002 Jeep Liberty Limited V6 Overview of head job

2004 Jeep Liberty Engine Diagram - U Wiring Download File PDF Engine Diagram 2004 Jeep Liberty engine diagram 2004 jeep liberty as one of the most functioning sellers here will completely be along with the best options to review. 4-Speed Automatic Transmission 5-Speed Manual Transmission Multi-Speed. 2002 Jeep Liberty Ignition Problems. Jeep Wrangler Engine 25 L 4-Cylinder 87-95.

Jeep Liberty (2002-2007) Fuse Box Diagrams

Jeep Liberty (2002-2007) Fuse Box Diagrams

PDF Engine Diagram Of A 2004 Lincoln Aviator Whether you are studying the 2004 Jeep Liberty engine diagram or the 2005 Jeep Liberty engine diagram, you need to know where each part fits into this high-performance machine. At 4 Wheel Parts we can assist you in your engine needs by shipping the parts needed for an upgrade or by installing them at one of our service centers.

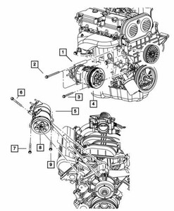
Genuine Mopar 2002-2004 Jeep Liberty 2.4L A/C Compressor Clutch 5072536AB |  eBay

Genuine Mopar 2002-2004 Jeep Liberty 2.4L A/C Compressor Clutch 5072536AB | eBay

2002 Jeep Liberty Wiring Diagrams - IOT Wiring Diagram All Wiring Diagrams For Jeep Liberty Limited 2004 Cars I Have A 2002 Jeep Liberty With The Factory Premium Sound System All Wiring Diagrams For Jeep Liberty Sport 2002 Cars 2002 Jeep Liberty Sport Fuel Pump Electrical Circuit Diagr Air Conditioning Jeep Liberty Limited 2002 System Wiring Diagrams Schaltpläne Für Autos

2003 Jeep Liberty Limited 4x4 3.7 Liter SOHC 12-Valve ...

2003 Jeep Liberty Limited 4x4 3.7 Liter SOHC 12-Valve ...

› chevroletCHEVROLET - Car PDF Manual, Wiring Diagram & Fault Codes DTC im looking the complete engine wiring diagram & schematic thats color coded for my 4dr 1994 honda civic sedan has a D15b7 engine in it for now but someone cut up a few wires in diffrent areas. thank you very much its been difficult to find the correct schematic & diagram again thank you #220. Ed Bro (Friday, 29 January 2021 05:49)

Jeep Liberty (2004) – fuse box diagram - Auto Genius

Jeep Liberty (2004) – fuse box diagram - Auto Genius

2004 jeep liberty engine diagram - Wiring Diagram and ... jeep 3 7l engine parts liberty six cylinder four wheel drive automatic diagram 0 7 2002 misfire 2004 serpentine belt compartment crd noob guide cooling system 02 atk engines replacement v6 sensors wiring for a 2006 all diagrams 4 continued 56044506af genuine case f2cfe613a f2cfe614e tier 4a 07 kj fuse box sport 4x4 liter 2003 has power tech …

Case F2CFE613A - F2CFE614E Tier 4a Engine Service Manual PDF

Case F2CFE613A - F2CFE614E Tier 4a Engine Service Manual PDF

2004 jeep liberty engine diagram - IOT Wiring Diagram jeep 3 7l engine parts liberty six cylinder four wheel drive automatic diagram 0 7 2002 misfire 2004 serpentine belt compartment crd noob guide cooling system 02 atk engines replacement v6 sensors wiring for a 2006 all diagrams 4 continued 56044506af genuine case f2cfe613a f2cfe614e tier 4a 07 kj fuse box sport 4x4 liter 2003 has power tech …

2004-2009 Dodge Durango Timing Marks Diagram 3.7L V6 Engine

2004-2009 Dodge Durango Timing Marks Diagram 3.7L V6 Engine

› porschePORSCHE - Car PDF Manual, Wiring Diagram & Fault Codes DTC im looking the complete engine wiring diagram & schematic thats color coded for my 4dr 1994 honda civic sedan has a D15b7 engine in it for now but someone cut up a few wires in diffrent areas. thank you very much its been difficult to find the correct schematic & diagram again thank you #220. Ed Bro (Friday, 29 January 2021 05:49)

Part 1 -How to Troubleshoot a BAD Fuel Injector (Jeep 4.0L)

Part 1 -How to Troubleshoot a BAD Fuel Injector (Jeep 4.0L)

Diagrams For Jeep :: Cooling System :: Jeep Liberty ... Coolant Bottle Cap for Jeep Liberty KJ. Jeep Liberty KJ (2002-2007) Fits: 2005-2007 Jeep Liberty KJ w/ 3.7L Engine or other. Availability: Quantity: + −. Add to cart for $ 10.99. Add to wish list Add to compare.

Jeep Grand Cherokee Timing Marks Diagram (4.7 L Engine)

Jeep Grand Cherokee Timing Marks Diagram (4.7 L Engine)

PDF Engine Diagram 2004 Jeep Liberty - search.mpja.com Engine Diagram 2004 Jeep Liberty Description: Jeep Wrangler Engine 2.5 L 4-Cylinder | 87-95' Yj Wrangler Parts inside 2004 Jeep Liberty Parts Diagram, image size 630 X 863 px, and to view image details please click the image.. Here is a picture

2002-2004 Jeep Liberty Fender Bracket, Right 55360236AB | My ...

2002-2004 Jeep Liberty Fender Bracket, Right 55360236AB | My ...

Jeep Liberty 3.7L Engine Parts - Liberty 3.7 Engine ... Likewise, if you need a new Liberty 3.7 valve cover gasket or any other Liberty engine parts, we can help. Our Jeep Liberty engine diagram assists you with identifying the right replacement parts for your Jeep's engine. Take Advantage of Our Expertise and Pricing

How to Replace Engine Water Pump 02-13 Jeep Liberty

How to Replace Engine Water Pump 02-13 Jeep Liberty

Firing order diagram 04 jeep liberty 3.7L - Fixya Firing order diagram 04 jeep liberty 3.7L - 2004 Jeep Liberty Posted by terry teague on Dec 09, 2011 5 Related Answers Anonymous 834 Answers SOURCE: diagram on engine block firing order and diagram Here is the firing order diagram for that engine and vehicle. Posted on Jul 26, 2010 Eric Marcum 9 Answers

53015959AA - Genuine Mopar Label-Fan Caution

53015959AA - Genuine Mopar Label-Fan Caution

› jeep › cherokeeJeep Cherokee Repair & Service Manuals (740 PDF's Detailed Jeep Cherokee Engine and Associated Service Systems ... Jeep - Liberty - Wiring Diagram - 2008 - 2008 ... 2004 Jeep Wrangler TJ Factory Service Manual PDF.

2002-2006 Daimler-Chrysler Jeep 2.4L 4 Cylinder Engine ...

2002-2006 Daimler-Chrysler Jeep 2.4L 4 Cylinder Engine ...

2003 Jeep Liberty Evap System Diagram - schematron.org Jeep Liberty Firing Order Diagram ~ here you are at our site, this is images about jeep liberty firing order diagram posted by Benson Fannie in Jeep category on Nov 20, Jeep Liberty Wiring Schematic Schematic Diagrams For Best Jeep Liberty Engine Diagram Uploaded by on Sunday, August 9th, in category Wiring Diagram.

Jeep Engine Parts Diagram - OEM Replacement 2.5 Liter (150 ...

Jeep Engine Parts Diagram - OEM Replacement 2.5 Liter (150 ...

Jeep Liberty (2004) - fuse box diagram - Auto Genius Jeep Liberty (2004) - fuse box diagram Posted on 28 October 2017 by admin Jeep Liberty (2004) - fuse box diagram Year of production: 2004 Interior Fuses The fuse panel is on the left side of the instrument panel. Jeep Liberty - fuse box - interior panel

window switch - wiring diagram or info - Jeep Cherokee Forum

window switch - wiring diagram or info - Jeep Cherokee Forum

Engine Compartment - 2004 Jeep Liberty - Mopar Parts MoparPartsGiant .com offers the wholesale prices for genuine 2004 Jeep Liberty parts. Parts like Engine Compartment are shipped directly from authorized Mopar dealers and backed by the manufacturer's warranty. Parts fit for the following vehicle options. Engine: 4 Cyl 2.4L, 6 Cyl 3.7L.

Engine & Trans Mounting for 2004 Jeep Liberty | TascaParts.com

Engine & Trans Mounting for 2004 Jeep Liberty | TascaParts.com

Sensors - Engine - 2004 Jeep Liberty Sensors - Engine fit your 2004 Jeep Liberty 2 diagrams found for the vehicle you selected. Select your vehicle options to narrow down results. Electrical Sensors, Engine (2.5L Diesel) [EN0] Electrical Sensors, Engine (3.7L Engine) [EK0] Sort by: Ref No. Ref No. Part No. Part Description Retail Price Your Price Qty. 1 56028807AB

2002-2007 Jeep Liberty Oil Leak Fix Limited 3.7L V6

2002-2007 Jeep Liberty Oil Leak Fix Limited 3.7L V6

Jeep 3.7L Engine Parts - Jeep Liberty 3.7 Engine Diagram ... As the Jeep Liberty engine diagram shows, your engine is nearly as fascinating a mechanism as your heart is. At 4 Wheel Parts we stock the necessary parts for everything from a complete engine rebuild to the individual replacement of every gasket, O-ring, bearing and washer. Study the Diagram To Replace the Correct Part

Mopar 55037467AB

Mopar 55037467AB

› chevrolet-tahoe-2004-fuseChevrolet Tahoe (2004) - fuse box diagram - Auto Genius Jan 04, 2018 · Chevrolet Tahoe (2004) – fuse box diagram Year of production: 2004 Instrument panel fuse block The fuse block access door is on the driver’s side edge of the instrument panel. Fuses Usage RR Wiper Rear Window Wiper Switch SEO ACCY Special Equipment Option Accessory WS WPR Windshield Wipers TBC ACCY Truck Body Controller Accessory IGN 3 Ignition, Heated Seats …

All Wiring Diagrams for Jeep Liberty Sport 2008 model ...

All Wiring Diagrams for Jeep Liberty Sport 2008 model ...

2004 Jeep Liberty Replacement Engine Pulleys — CARiD.com 0. # 20741284. Jeep Liberty 2004, DriveAlign™ Automatic Belt Tensioner by Gates®. This premium product is the best way to go for those looking for the highest quality replacement that offers supreme levels of quality, performance and reliability.... Comprehensive line includes parts to fit cars, vans, SUVs, and light trucks Full line ...

jeep liberty firing order Questions & Answers (with Pictures ...

jeep liberty firing order Questions & Answers (with Pictures ...

automobilediagram.com › chevy-1500-silverado-2000Chevy 1500 Silverado 2000-2005 Fuse Box Location and Diagram ... The Chevy 1500 Silverado has three total fuse boxs; under the hood, instrument panel, and center council. Please comment below if you have any questions! Chevy 1500 Owners Manual The fuse block access door is on the driver’s side edge of the instrument panel.

Heat & A/C control switch Schematic - JeepForum.com | Jeep ...

Heat & A/C control switch Schematic - JeepForum.com | Jeep ...

Jeep Liberty Water Pump Replacement 3.7 V6

Jeep Liberty Water Pump Replacement 3.7 V6

I have a 2004 jeep liberty with 3.7 engine with manual ...

I have a 2004 jeep liberty with 3.7 engine with manual ...

02-'07 Jeep Liberty KJ Fuse Box Diagram

02-'07 Jeep Liberty KJ Fuse Box Diagram

Jeep Liberty Cooling System Parts |02-12 KJ KK|Morris 4x4 Center

Jeep Liberty Cooling System Parts |02-12 KJ KK|Morris 4x4 Center

LOST JEEPS • View topic - Jeep CRD Coolant Hose & Flow Diagram

LOST JEEPS • View topic - Jeep CRD Coolant Hose & Flow Diagram

Engine Diagram for 4.0 L (242) AMC Engine (Continued)

Engine Diagram for 4.0 L (242) AMC Engine (Continued)

Engine Diagram for 4.7L Engine (Continued)

Engine Diagram for 4.7L Engine (Continued)

Engine Assembly & Identification - 2007 Jeep Liberty

Engine Assembly & Identification - 2007 Jeep Liberty

Jeep 3.7L Engine Parts - Jeep Liberty 3.7 Engine Diagram ...

Jeep 3.7L Engine Parts - Jeep Liberty 3.7 Engine Diagram ...

Jeep Starts but won't stay running without foot on gas | Jeep ...

Jeep Starts but won't stay running without foot on gas | Jeep ...

P0152 Fault code | Jeep Wrangler Forum

P0152 Fault code | Jeep Wrangler Forum

Wiring-Engine & Related Parts for 2004 Jeep Liberty | Mopar ...

Wiring-Engine & Related Parts for 2004 Jeep Liberty | Mopar ...

Jeep Engine Parts Diagram - 3.0 & 3.7 Liter Daimler Chrysler ...

Jeep Engine Parts Diagram - 3.0 & 3.7 Liter Daimler Chrysler ...

Hood & Hood Release for 2004 Jeep Liberty | Mopar Wholesale Parts

Hood & Hood Release for 2004 Jeep Liberty | Mopar Wholesale Parts

jeep liberty diagram Questions & Answers (with Pictures) - Fixya

jeep liberty diagram Questions & Answers (with Pictures) - Fixya

Vacuum Canister for 2004 Jeep Liberty | Mopar Estores

Vacuum Canister for 2004 Jeep Liberty | Mopar Estores

Tank, Coolant Engine for 2004 Jeep Liberty | Thomas Dodge Parts

Tank, Coolant Engine for 2004 Jeep Liberty | Thomas Dodge Parts

Chrysler PowerTech engine - Wikipedia

Chrysler PowerTech engine - Wikipedia

2004 Jeep Liberty Sport 4x4 3.7 Liter SOHC 12V Powertech V6 ...

2004 Jeep Liberty Sport 4x4 3.7 Liter SOHC 12V Powertech V6 ...

Jeep Liberty Fuel System Parts|02-12 KJ & KK | Morris 4x4 Center

Jeep Liberty Fuel System Parts|02-12 KJ & KK | Morris 4x4 Center

Comments

Popular posts from this blog

40 data center network diagram

39 2.4 ecotec timing chain diagram

39 emg hz wiring diagram